NYA Volvo C30, S40, V50 & C70 relaterade ämnen... OBS! vid motorproblem försök att ange vad du har för motor i bilen...

Moderator: Moderatorer

#1622524
kvillebäck skrev: tor 27 nov 2025, 08:20 Sitter nog ingen sensor i den tanken. Räkneverket som räknar ner nivån är kopplad till tankluckan har jag fått till mig.
Det sitter en piezoelektrisk "tankmätare" i additivtanken. Funkar inte riktigt som en vanlig flottörmätare. Googla.

När man tankat minst 5 liter diesel ges en signal till systemet att man tankat och hur mycket, då väntar det på att man kommer upp i 70 km/h och då först pumpas additivet in i dieseltanken i den mängd som behövs för de liter man tankat. Om man inte kommer upp i 70 km/h startar pumpen ändå efter 4 minuter med motorn igång.
#1622556
Njae, den mäter ju bara hur mycket additiv som finns i additivtanken. (Den mäter med någon sorts vibrationer, lite som ekolod om jag fattat rätt)
Hur mycket du tankat har väl CEM tillsammans med tankarmaturen koll på och ger via ADM, (Additiv Dosage Modul) som sitter under vänster baksäte, signal om hur mycket du tankat och då räknar väl ADM ut hur länge additivpumpen skall jobba. Ni som kan elektroniken, har jag fått det rätt?

(Hela det här systemet hade varit bättre att kunna "blocka", om det gick , och istället pytsa i lite när man tankar. Kunde ju vara utspätt för att enklare kunna hantera de små mängderna som används, hela upplägget med den extra tanken är bara till märkesverkstäderns fördel för att de skall tvinga kunderna till service och kunna skylla på ägarna när regenereringen inte fungerar som det skall och p-filtret fylls och motorerna börjar en "diesel-run-away". Udda sak är att Volvo säljer additiv, Eolysvätska, till privatkunder men Mekonomen säljer enbart till verkstäder...)
#1622578
Tack för att du satt dig in i (för mig) denna gåta. Om det nu går till så här så funderar jag ändå på varför man då skulle behöva nolla i VIDA när man fyllt på. Samt att det i VIDA för det mesta visar långt ifrån sanningen om innehållet i tanken.
Får känslan av att en traditionell flottör hade givit ett bättre svar.
skulle gärna demonterat en utrangerad tank för att kunna sätta mig in i detta noggrannare.

Ha en utmärkt dag idag "Rotekopp"
#1622620
Läste denna tråd och blev intresserad av funktionen.
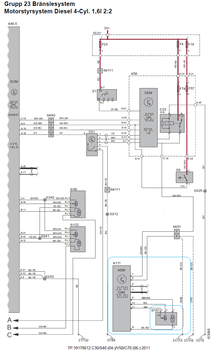
Bifogar schemat för ADM, (Additiv Dosage Modul) detalj 4/111
Samt 6/167 Additivtank med pump och nivågivare.

ADM kommunicerar med ECM via CAN-bus,
Men ett schema säger inget om hur programvaran i ECM styr hur funktionen.
Utgår från Rotekopp förklaring.

Får jag gissa så tror pumpmotorn är mer som en injektor som ger en given mängd eolys varje gång den aktiveras och har du tankat 30 liter diesel så aktiveras pumpen flera gånger för att få rätt mängd eolys kontra diesel. Det finns ju ingen sensor till pumpen som mäter mängden.
Därav kommer räknaren in som du nollar när man har fyllt på eolysen.
Ovan är min spekulation och gissning vilket därmed inte är fakta.


Motorsystem4-cyl 1,6l diesel ADM.png
Motorsystem4-cyl 1,6l diesel ADM.png (110.52 KiB) Visad 2054 gånger
#1622687
Jag blottar min totala okunskap och erkänner att detta inte förklarar något för mig.
Det som är inringat med blått är ADM-modulen?
Den blåa fyrkanten inuti den andra blåa fyrkanten, är det pumpen, eller piezoelektriska nivåmätaren?
Varför har utgång 6+7 dessa tecken och den liggande åttan?
#1622719
Det var jag som lade dit de blåa markeringarna men glömde förklara varför.
Det som är inringat med blått är ADM-modulen?
Nedan symbol från schemat är ADM-modulen som skall var placerad under vänster baksäte.
4-111 Styrenhet additiv dosering (ADM).png
4-111 Styrenhet additiv dosering (ADM).png (39.84 KiB) Visad 1759 gånger
Den blåa fyrkanten inuti den andra blåa fyrkanten, är det pumpen, eller piezoelektriska nivåmätaren?
Figur 6/167 är allt i-ett, Additivtank med pump och nivågivare,
Där pumpen är kopplad mellan stift 1 och 2
Och nivågivaren mellan stift 3 och 4,
6-167 Additivtank med pump och nivågivare.png
6-167 Additivtank med pump och nivågivare.png (37.95 KiB) Visad 1759 gånger
Varför har utgång 6+7 dessa tecken och den liggande åttan?
Där har man kombinerat ihop en massa fristående symboler till en.
Betydelser i tur och ordning:
CAN-kommunikation.png
CAN-kommunikation.png (1.57 KiB) Visad 1759 gånger
CAN hög och låg signal.png
CAN hög och låg signal.png (3.32 KiB) Visad 1759 gånger
Tvinnad ledare.png
Tvinnad ledare.png (1.45 KiB) Visad 1759 gånger
Datakommunikation.png
Datakommunikation.png (1.41 KiB) Visad 1759 gånger
Bifogar också fullständig teckenförklaring för tolkning av kopplingsschemat.
Teckenförklaringar.png
Teckenförklaringar.png (30.12 KiB) Visad 1759 gånger

Är det samma konstruktion som på P80 s&[…]

Så jag har nu tagit reda på att rassel[…]

Reparera läckande AC

Har ett litet pysande ibland. Läckage fr&arin[…]

Bromsok klossar medmera ser bra ut, det klonkande […]