Volvo S80N (07-16), V70 II (08-16), XC70 II (08-16) relaterade ämnen. OBS! vid motorproblem försök att ange vad du har för motor i bilen...

Moderator: Moderatorer

Användarvisningsbild
av bduren
#1625562
Hej
Jag har en XC70 3,2 2008 där vänster strålkastarspolare inte fungerar som den ska. Jag har förstått att strömmen till motorn som skjuter ut spolararmen byter polaritet för att kunna dra tillbaka spolarmen efter spolning.
När spolararmen är i viloläge är ventilen stängd och öppnar inte förrän armen är fulll öppen.

Min fråga är, hur byter strömmen polaritet ?
Är det i själva spolaren eller i något relä längre bak i systemet ?
/Björn
#1625590
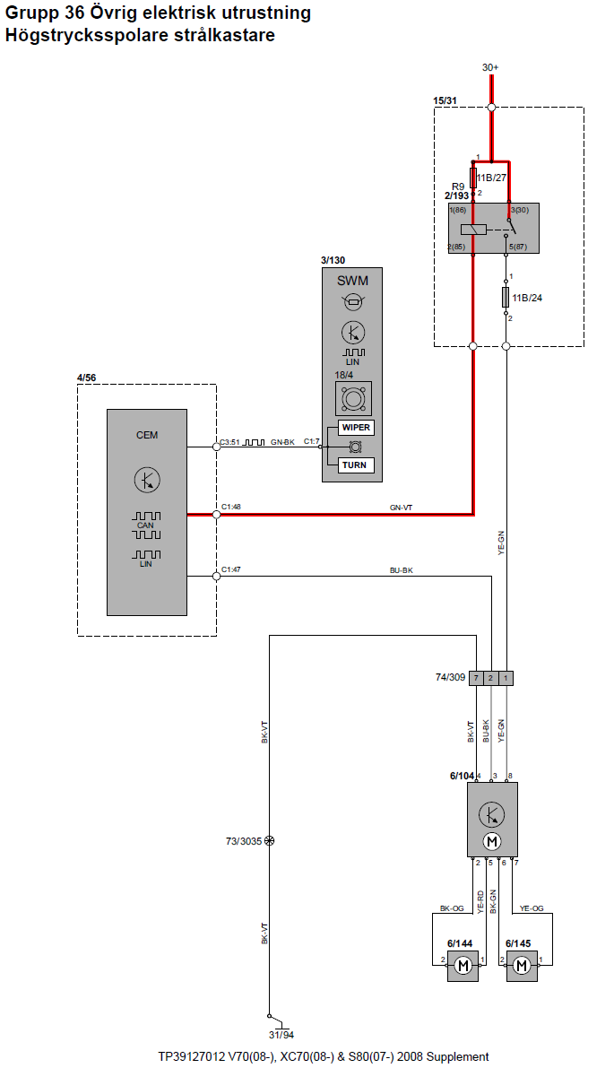
Bifogar ett schema för högtrycksspolningen av strålkastare för din årsmodell.

Detaljer:
6/104 är Spolarmotor strålkastare högtryck
6/144 Teleskopmunstycke vänster
6/145 Teleskopmunstycke höger

Som det ser ut på schemat så är högtryckspumpen integrerad med en styrmodul som styr teleskopmunstyckena.
Högtryckspumpen i sin tur får styrsignalen från CEM.
Högstrycksspolare strålkastare.png
Högstrycksspolare strålkastare.png (51.15 KiB) Visad 2732 gånger
Bifogar också bilder på högtryckspump och teleskopmunstycken.
Högtryckspump och teleskopmunstycken.png
Högtryckspump och teleskopmunstycken.png (78.7 KiB) Visad 2732 gånger
#1625620
Jag igen,

Någonting sa mig att det är något fel med schemat för strålkastarspolningen.
Men så ser scheman ut från årsmodell 2008 till 2010 därefter försvinner teleskopmunstyckena och det blir bara en högtryckspump kvar för strålkastarspolningen från årsmodell 2011 och senare.

I verkligheten så är högtryckspumpen 2-polig och vad som styr teleskopmunstyckena har jag inte lyckats få fram.
Så figur 6/104 är bara en högtryckspump.
Jag tänkte kolla hur det ser ut på min bil men jag avstod eftersom man måste skruva bort luftfiltret och säkert något mer för att komma åt högtryckspumpen och kablaget. Får bli en annan gång.

Så just nu kan jag inte säga hur kopplingen är för strålkastarspolare med teleskopmunstycken.
Användarvisningsbild
av bduren
#1625650
Hej
Tack för hjälp. uppskattas verkligen.
Dock vet jag inte riktigt hur jag ska gå vidare.
Kopplar jag ström till den skjuter det ut armen. "Torrsim alltså"
Armen stannar ute när jag bryter strömmen.
Vänder jag polariteten drar den tillbaka.
Jag kan inte upptäcka att någon fjäder drar tillbaka armen.
Jag har 3 st och alla reagerar lika.

Jag måste byta en pga att det läcker i anslutningen. Kanske beror det på att den inte släpper igenom vätska förrän den är fullt öppen. Öppnar den inte då "rinner" det över av trycket.....

Ska byta på torsdag och resultatet kommer här......

/Björn
#1625671
Jag ånyo.

Kikade på detta en gång till och min slutsats är att schemat ovan måste stämma för strålkastarspolarnas teleskopmunstyckena.

Felet i schemat ligger i att man har märkt upp styrmodulen felaktigt med 6/104 (högtryckspump) samt lagt in en motorsymbol på den.
Vad den skulle ha för beteckning eller placering finns inte med på schemat.

Min slutsats är att styrmodulen (inringat i rött) för teleskopmunstyckena är i stötfångarens kabelstam.
Se bilden nedan, två varianter. med eller utan parkeringsassistans.

Så troligtvis är det som du skriver att strömmen polvänds av styrmodulen för att dra ner teleskopmunstyckena.
Kabelstam främre stötfångare.png
Kabelstam främre stötfångare.png (63.2 KiB) Visad 2301 gånger
Användarvisningsbild
av bduren
#1625755
Hej
Nu fungerar det.
Det visade sig vara :-/ O-ringarna på alla 3. När väl det blev tätt fungerade motorn som den skulle.
Ingen ny O-ring monterades, hade ingen som passade, utan ett buntband löste problemet.
Det verkar t o m så att det blev säkrare med buntband.
Sen spolar ju inte bägge sidorna samtidigt utan en i taget Viiken som börjar verkar vara lire random.

Så nu till nästa bekymmer "Fuel Rail Pressure Sensor circuit"
Troligtvis byte av sensorn, kan vara kabelfel också.....
Den tar vi i en annan tråd.
/Björn

Nej, den går inte via det vanliga avgassyste[…]

Life time Map Care har nog upphört det kommer[…]

Jag har varken kompetens eller grejer för att[…]

Volvo 940 blinkers funkar ej

Tja tänkte kolla om någon visste vad de[…]