Volvo S80N (07-16), V70 II (08-16), XC70 II (08-16) relaterade ämnen. OBS! vid motorproblem försök att ange vad du har för motor i bilen...

Moderator: Moderatorer

#1611257
Hallå allihop.
Nu skulle ja bli glad om någon kan peka mig i rätt rikting med hur jag får ordning på detta fel.
Köpte mig en snorbillig D5 V70 2010 med diverse småproblem. Bla så är höjd och sidojustering helt av dom adaptiva xenon strålkastarna ur funktion på bilen. vä fram pekar upp och åt höger medans hö pekar ner i backen.
Felmeddelande i display att strålkastarservice erfodras samt lysande varningslampa på sido justeringen.

Fick i VIDA felkod HCM-U1A3801 utebliven kommunikation med vänster strålkastarmodul - Generellt elektriskt fel.
Har provat att byta HCM mot en exakt likadan utan resultat. så nu kliar jag mig i huvudet.

Kabelbrott? Hur mäter jag upp det i så fall? (mellan vilka kontakter?) då felkodinormationen i VIDA säger.

Felorsak
Signalledning kortslutning till jord.
signalledning kortsluten till spänning.
kontaktresistans oxidation eller avbrott i anslutningar.

Kontaktstycken hela och rena från oxidation.

Är det bara att mäta mellan kablar med likvärdig färgkombo vid HCM kontakten samt vid strålkastarens kontakt eller vad?

och skulle just utesluten kommunikation med vänster strålkastarmodul göra att även höger sida är stendöd?
#1623853
Hej.
Kan man ställa in strålkastarna manuellt och koppla bort automatiska justeringen tillfälligt tills man fått tid att fixa felet? Som det är nu på min så lyser dom ner i marken så sikten blir väldigt dålig när det är mörkt.
#1623871
Har provat att byta HCM mot en exakt likadan utan resultat. så nu kliar jag mig i huvudet.
Hej där.
Den felkoden betyder inte att det är HCM som felet ligger i. Det står ju att HCM kan inte kommunicera med den vänstra strålkastaren. Så det är snarare så att felet ligger i lyktans styrenhet eller dess kommunikation till HCM. Fast rent statistiskt så är största sannolikheten att det är fel på LHCU än kablaget.
#1623882
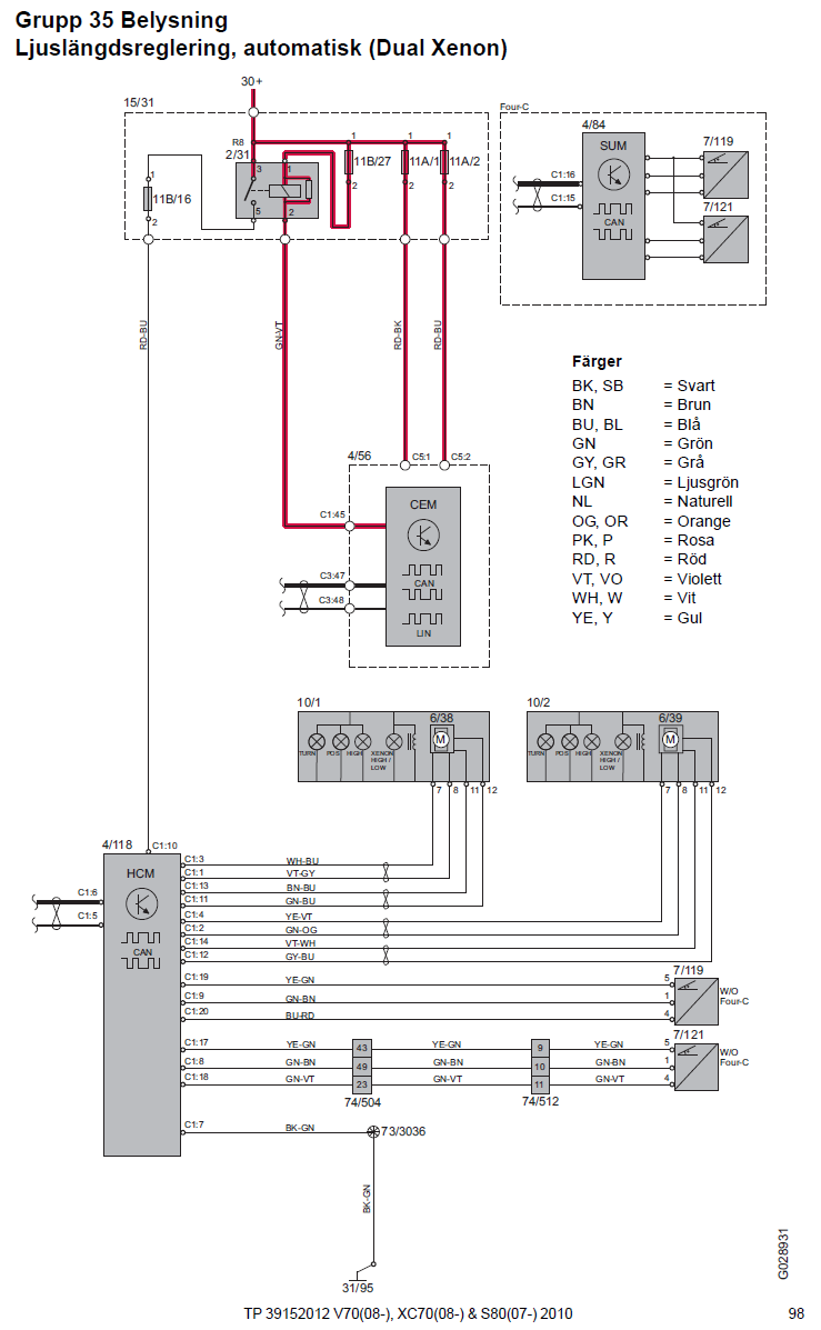
Bifogar ett schema med färgkoder för kablar för underlätta felsökning.
Detaljer:
10/1 och 10/2 = lykthus.
6/38 och 6/39 = Motor strålkastarinställning vänster och höger
7/119 och 7/121 = Höjdgivare hjulupphängning fram och bak höger.

Jag såg på ett annat inlägg från V50 var att felkoder som är aktiva, gör att de går ner i "felsäkert" läge och lyser nedåt,
Verkar vara ett måste att "släckta" koderna för att regleringen skall fungera igen.
Vad händer om du nollar felkoderna, kommer de tillbaka på en gång?
Ljuslängdsreglering, automatisk (Dual Xenon).png
Ljuslängdsreglering, automatisk (Dual Xenon).png (93.74 KiB) Visad 2014 gånger
klimatanläggnig traig?

hej alla. har problem med min klimatanläggnin[…]

Erfarenheter XC90?

Tror XC90:n har förstärkt vinkelväx[…]

Om den nu råkar gå till EVAP-ventilen […]

Jag tror att så länge man håller […]