Volvo S60, S80, V70N (00-08), XC70 (00-08), XC90 (03-14) relaterade ämnen OBS! vid motorproblem försök att ange vad du har för motor i bilen...

Moderator: Moderatorer

#1620588
Hej,
Jag köpte nyligen en XC90 D5 2010, där dieselvärmaren inte fungerar - och så här års skulle det vara väldigt skönt att få igång den. Efter en del felsökande så har jag kommit fram till att problemet är att inte bränslepumpen får någon ström. Om jag kör direktstart parkeringsvärmare så hör man att värmaren startar och går c:a 1 minut, men stängs sedan av. Både fläkt och vattenpump går att starta fint från Vida och ger inga felkoder.
Jag har dock felkod CEM-5F40 (Bränslepump för låg signal) i Vida. Om jag "tvångskör" bränslepumpen i Vida och mäter i bränslepumpens kontakt så har jag ingen spänning där (om jag förstått det rätt så ska det pulsas 12V). Vida visar dock 7Hz puls (jag killgissar att det värdet mäts internt i styrenheten för värmaren?).
Jag testade för säkerhets skull också att hänga på en ny bränslepump, men den är lika död som den gamla.

Min fråga är om någon här vet hur det ser ut på vägen till bränslepumpen? Dvs kommer spänningen direkt från värmarens styrenhet? Eller kommer det någon annanstans ifrån? Finns det någon säkring eller relä på väg till bränslepumpen? (Sjävla värmarens 25A-säkring är hel, och som sagt startar fläkt och vattenpump).

Kanske någon varit med om samma symptom och har tips? Annars är väl nästa steg att riva fronten och mäta vid bränslevärmaren, och sedan följa kabelstam till pumpen (så tips på grejer att kolla innan den operationen är mottages tacksamt :-D )
Senast redigerad av 2 Erik211, redigerad totalt 0 gång.
#1620633
Säkring 4 i motorrummet är gemensam för, Bränslepump tillskottsvärmare, Kylvätskepump tillskottsvärmare samt Tillskottsvärmare.
Och den var hel i ditt fall.

Volvo DTC CEM-5F40
Make: Volvo
Code:CEM-5F40
Definition:

Fuel Pump (FP). Signal Too Low

Description:
The central electronic module (CEM) checks the communication with the combustion preheater module (CPM).
The diagnostic trouble code (DTC) is stored if the central electronic module (CEM) registers that the signal in the circuit for the fuel pump (FP) is too low.
The diagnostic trouble code (DTC) can be diagnosed when the heater is activated.

Cause:
Contact resistance in the control module or fuel pump connectors
Short-circuit to ground in the signal cable
Open-circuit in the signal cable
Open-circuit in the power cable
Damaged overheat protection thermostat
Damaged fuel pump.

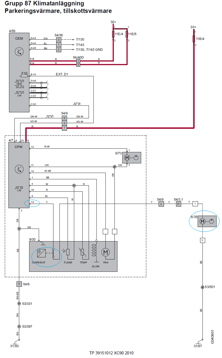
Bifogar schema för tillsatsvärmaren.

Där item är
6/35 bränslepump
6/73 kylvätskepump
9/30 Tillsatsvärmare
4/7 Styrenhet, tillsatsvärmare, CPM

Bränslepumpens matning kommer från stift 13 på CPM och går via en överhettningsbrytare i tillsatsvärmaren.
Högst troligen är det den som har löst ut.
XC90 dieselvärmare.png
XC90 dieselvärmare.png (68.44 KiB) Visad 2066 gånger
Senast redigerad av 1 Lelleprinter, redigerad totalt 0 gånger.
#1621993
Jag ville bara uppdatera posten och återigen tacka så mycket för hjälpen. Bytte överhettningstermostaten idag, och efter det fungerar värmaren perfekt!
Dock är jag nyfiken på hur den där överhettningstermostaten fungerar egentligen. Jag trodde att det bara var en termistor som ökade i resistans när termperaturen stiger. Jag mätte den gamla, men den hade exakt samma resistans som den nya. Då var det iofs vid rumstemperatur, kan ju tänkas att den gamla är överkänslig vid högre temperaturer.

Jag var inne och och provkörde en Touring id[…]

Råd vid felkodsköp

Räcker långt med iCarsoft. Men orkar du[…]

Hajfena byte?

Har förmodligen fått läckage och t[…]

Vita Lädersäten

Det är nog grått läder. Jag har s&[…]