- fre 03 okt 2025, 20:16
#1618433
Hej!
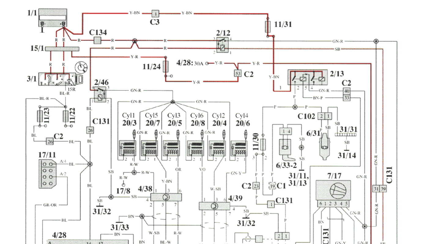
Håller på att sätta 3 liters raksexan från Volvo 960 -91-93 i en Volvo 740 -88. Tittar just nu på hur jag ska koppla upp det nya Motronic insprutet mot 740ins gamla bränslepumpsrelä. I 740 elschemat är reläets utgångar upp märkta med 30, 85, 86, 87 osv. medans 960ins elschema enbart är uppmärkt 1,2,3 osv. Tror jag har lyckats matcha ihop dem rätt men skulle vara tacksam om någon kunnig kunde dubbelkolla så att det stämmer.
Elschema för 960in: Elschema för 740in: Det jag kommit fram till är att:
960 relä pin 1 = 740 relä pin 30(3)
960 relä pin 2 = 740 relä pin 87/2(5)
960 relä pin 4 = 740 relä pin 85(6)
960 relä pin 5 = 740 relä pin 86/2(2)
Någon som ser ifall det stämmer? Tack på förhand.
Håller på att sätta 3 liters raksexan från Volvo 960 -91-93 i en Volvo 740 -88. Tittar just nu på hur jag ska koppla upp det nya Motronic insprutet mot 740ins gamla bränslepumpsrelä. I 740 elschemat är reläets utgångar upp märkta med 30, 85, 86, 87 osv. medans 960ins elschema enbart är uppmärkt 1,2,3 osv. Tror jag har lyckats matcha ihop dem rätt men skulle vara tacksam om någon kunnig kunde dubbelkolla så att det stämmer.
Elschema för 960in: Elschema för 740in: Det jag kommit fram till är att:
960 relä pin 1 = 740 relä pin 30(3)
960 relä pin 2 = 740 relä pin 87/2(5)
960 relä pin 4 = 740 relä pin 85(6)
960 relä pin 5 = 740 relä pin 86/2(2)
Någon som ser ifall det stämmer? Tack på förhand.

- By HeavyMetal