Volvo S60, S80, V70N (00-08), XC70 (00-08), XC90 (03-14) relaterade ämnen OBS! vid motorproblem försök att ange vad du har för motor i bilen...

Moderator: Moderatorer

av Jarlingar
#1620439
Någon som vet vilka värden det skall vara på MAF sensor?
V70 -03 2.0 170hk

Kunde mäta 28kohm på två stift och 4kohm mellan två andra.

Stift 1 grön kabel visar ingen kortslutning.
Screenshot_20251106_151923_Drive.jpg
Screenshot_20251106_151923_Drive.jpg (288.05 KiB) Visad 11354 gånger
20251106_144845.jpg
20251106_144845.jpg (2.12 MiB) Visad 11354 gånger
20251106_144834.jpg
20251106_144834.jpg (2.5 MiB) Visad 11354 gånger
av Lelleprinter
#1620617
Känns som en överkursfråga. Men jag hoppar på den.
De skulle vara intressant att veta varför du frågar, Har du felkoder eller andra symtom?

Nu har jag en Volvo årsmodell 2006 med 140hk motor,
Min MAF-givare har artikelnummer 30713512, din hade 9202199

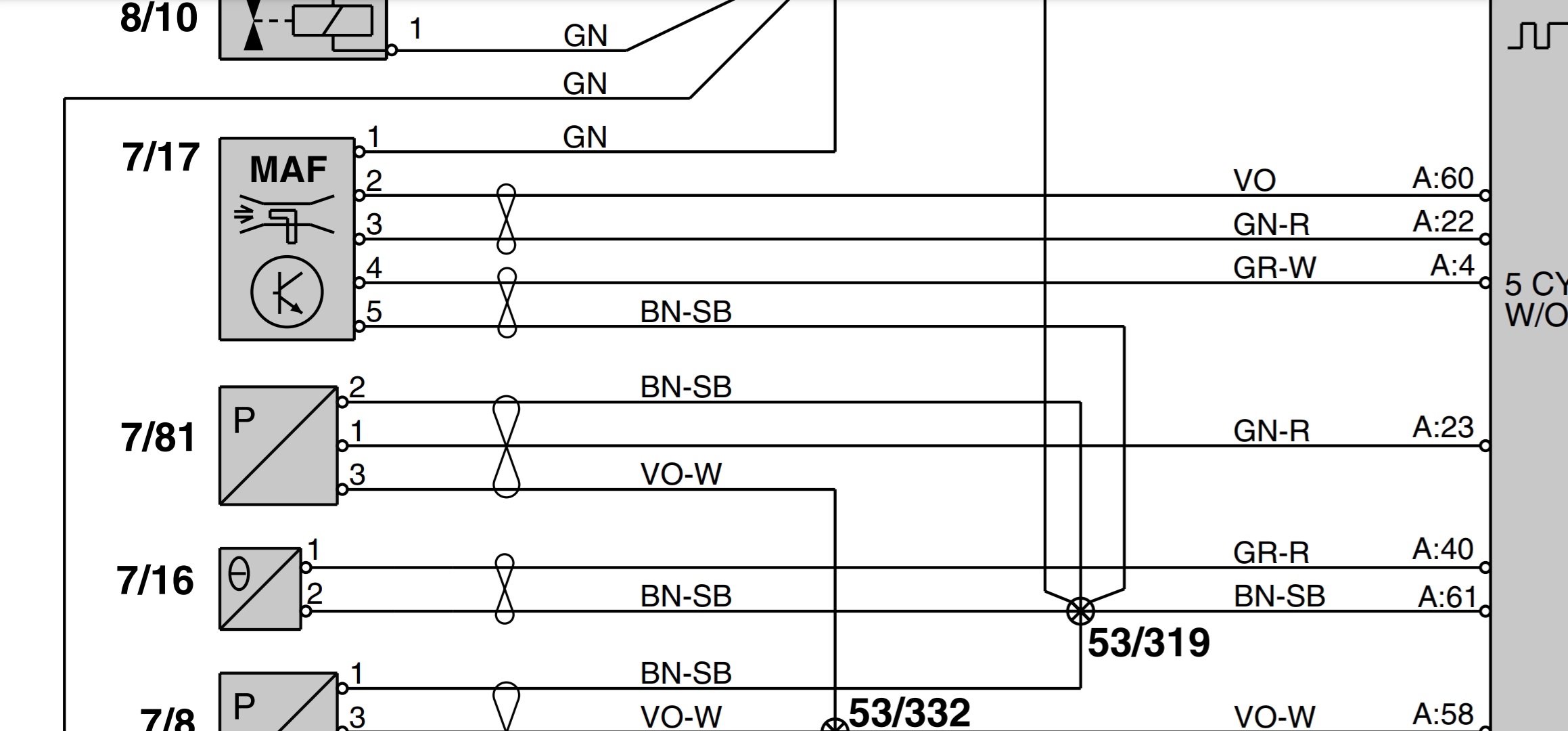
Pin-out,
1: +12V
2: MAF-signal +
3: MAF-signal -
4: temp
5: Jord

Ohm-mätning mellan stift 2 och 3 (MAF-signalen) cirkus 28,2 KOhm
Ohm-mätning mellan stift 4 och 5 (Temperaturgivaren) cirkus 2,2KOhm, men den säker vara annat värde beroende på temperatur.

Skulle jag kolla om givaren är OK så skulle jag mäta DC-spänningen mellan stift 2 och 3
Se bild nedan där jag mäter spänningen med tändningen på.
Multimetern visar 0,657 VDC och min ODB-läsare 0,66VDC vilket är likvärdigt,
Mätvärdet från ODB-läsaren säger också Mass Air Flow 0 g/s vilket den bör vara om inte motorn är startad.
(samma metod för tempgivaren, mät likspänningen mellan stift 4 och 5, den matchar uppmätt spänning med ODB-läsarens värde)
MAF-sensor i tändningsläge.png
MAF-sensor i tändningsläge.png (789.21 KiB) Visad 11266 gånger
Nästa test med motorn på tomgång.
Multimetern visar 1,539 VDC och min ODB-läsare 1,54 VDC vilket är likvärdigt,
Mätvärdet från ODB-läsaren säger också Mass Air Flow 5,67 g/s
MAF-sensor tomgång.png
MAF-sensor tomgång.png (973.31 KiB) Visad 11266 gånger
Med andra ord.
För luftflöde, högre spänning ger högre mätvärde.
För temperatur, högre spänning ger lägre temperaturvärde.
Slutsatsen på denna serie av luftmassemätare så har den en analog spänningssignal,

Länk till Denso's produktbeskrivning
https://assets.denso-am.eu/production/a ... wedish.pdf

Avslutar inlägget med en tjusig 3D animation.
av Jarlingar
#1621501
Ja jag har felkod men..
Jag Mindes fel kod och det var MAP sensorn jag hade felkod på och inte MAF... :-D

Så de värden jag mätte upp var säkert riktiga.

Har du motsvarande värden på MAP sensorn?
av Lelleprinter
#1621629
Då blir det på en Volvo årsmodell 2006 med 140hk motor,
Min MAP-givare har artikelnummer 9486209 från Denso

Pinout:
1: signal
2: Jord
3: +5VDC (matning från ECM)

Resistansmätning mellan stift:
1 till 3: 2414 Ω
1 till 2: 10,7 KΩ
2 till 3: 8,2 KΩ
Tryckgivare inloppsrör 7-81.png
Tryckgivare inloppsrör 7-81.png (40.69 KiB) Visad 2270 gånger
Använder samma metod som tidigare och mäter spänningen mellan stift 1 och 2 på MAP-sensorn:
Med bara tändningen på mäter ODB-läsaren 3,55VDC vilket matchar multimeterns 3,54VDC
ODB-läsaren ger då ett lufttryck på 980,40 hPa vilket matchar det barometer/luft-tryck som min enkla väderstation inomhus visade (983 hPa) vid det tillfället.

MAP-sensor värden i tändningsläge.png
MAP-sensor värden i tändningsläge.png (922.78 KiB) Visad 2270 gånger
Med motorn på tomgång så var mätvärdena väldigt hoppiga, nya mätvärden uppdaterades hela tiden,
när bilden togs så gav ODB-läsaren 1,61 VDC och ett lufttryck på 339,58 hPa momentant,
Multimeter visade likvärdig spänning men på bilden låg inte multimetern i fas med ODB-läsaren uppdaterade mätvärde. Därför visar multimetern en annan spänning när bilden togs.
MAP-sensor värden tomgång.png
MAP-sensor värden tomgång.png (764.53 KiB) Visad 2270 gånger
Med andra ord, högre spänning ger ett högre mätvärde för lufttryck.
Generellt för MAP sensorer är att de har ett mätområde är mellan 0.2 V and 4.8 V.

Ovan test ger en viss vägledning att sensorn är OK,
för att kolla MAP-sensorns hela mätområdet får man använda sig av en handhållen Vacuum/trycktestare och mäta spänningen på utsignalen, (att det inte är ett glappt i mätskalan samt att den håller trycket och inte läcker.)

Kolla också att slangen mellan insugsrör och MAP-sensor inte är sprucken eller igensatt.

Har motorlampan tänds för felkod för MAF- eller MAP-sensor så är det ett måste att nolla felkoden för att släcka motorlampan även om man har fixat felet.
av Jarlingar
#1624929
Bytte MAP-sensor idag men förgäves..

P0106 är felkoden jag får.
Jag tycker att värdet ser bra ut.
28-29kPa på tomgång och går upp till 97 vid hastig spjällöppning, droppar till 17-18 för att åter ligga stabilt på 28-29.
Screenshot_20260202_140426_Car Scanner.jpg
Screenshot_20260202_140426_Car Scanner.jpg (239.85 KiB) Visad 1368 gånger
Kan det vara min mycket simpla OBD läsare som inte kan gräva tillräckligt djupt för att radera felkoden?
Felkoden försvinner men återkommer efter några sekunder igen.
av Lelleprinter
#1624953
Det lilla kikade på när jag gjorde min test ligger ganska nära din bils värde vid tomgång
Din har 28-29kPa, min hade 34kPa.

Vad har du för värde när motorn är avslagen men med tändningen på?

Av egen erfarenhet så går vissa felkoder inte att radera om motorn är igång,
Prova att bara i tändningsläge radera koden.

Volvo DTC ECM-P010600
Make: Volvo
Code: ECM-P010600
Definition:
Manifold Absolute Pressure/BARO Sensor Range/Performance

Description:

The engine control module (ECM) measures the air pressure in the intake manifold using an air pressure sensor.
The diagnostic trouble code is generated if the control module detects that the air pressure sensor value deviates too much from the value calculated based on a model.
The diagnostic trouble code can be diagnosed at a fixed engine speed over 1250 rpm when the engine is warm (at least 70 °C).

Cause:
-Contact resistance in connector.
-Faulty hose connection.
-Damaged air pressure sensor in the intake manifold.
Stefans 968

Det knappt man ser den men här sitter en ny g[…]

Folkrace 740 - Byta framruta

Supertack för svar! Hur många tror du d[…]

Vad är det här för grej jag hittade[…]

Är väl annorlunda med tänsystem Reg[…]