Volvo 700, 900, S/V90 (95-98) relaterade ämnen. OBS! vid motorproblem försök att ange vad du har för motor i bilen...t.e.x B230A, K, E, F och så vidare....

Moderator: Moderatorer

#1618720
Det kanske har att göra med om du har AC eller ECC. På äldere modeller med "höfläkt"(och "bara" AC) styrs det från en givare i kylaren endast (t.ex min 740 -88B). Senare med ECC är det styrt från tempgivaren för motorstyrningen bl.a. Sitter även en givare i kondensorn om jag minns rätt
#1618778
Om inte AC är i funktion torde inte tryckgivarna aktivera elfläkten.
Personligen vill jag gardera med en termostat för temperaturen på kylvattnet som lämnar kylaren att starta elfläkten.
Detta är enkelt att fixa om du har termostat på kylaren eller en gummiplopp som du ersätter med en termostat.
Koppla den som det visas på ditt elschema för tryckgivarna, ta den för lågfart.
Här har du en från KLracing: https://shop.klracing.se/sv/artiklar/te ... 0-940.html
(Termostat eller termobrytare är det rätta namnet på denna manick då den sluter en kontakt vid en viss temperatur. En temperaturgivare ger en analog signal)
#1619282
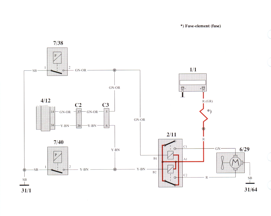
Låg och högtrycksvakten styr elfläkten med direktkoppling oavsett om ECU:n är aktiverad eller ej (därför kan fläkten gå även om bilen är avstängd). Även Motronic-enheten styr fläkten via utgång 14 och 34 i enheten.
Detta tror jag också är rätt:
Information om temperaturmätning motor med Motoronic 1,.8 (1990- 1995) styrsystem
En givare placerad på baksidan av motorblocket har funktionen att ge en digital information om temperaturen till motorstyrenheten ( märkt 7/7 i Volvo´s elschema) för fläktstyrning AC.
Är denna givare sönder stängs inte fläkten av när man stänger av motorn, även när motorn är kall?
Kylvattentempgivaren placerad vid termostathus ger en analog information om temperaturen till temperaturmätaren i instrumentet ( märkt 7/16 i Volvo´s elschema).
På 1996 års bilar och senare saknas den bakre givaren p.g. a Motoronic 4.4. Den främre givaren ger Informationen både till styrenheten och till temperaturmätaren i instrumentet. Vad jag vet måste du då använda 1996 års och senare tempmätare för att få rätt signal så att tempmätaren fungerar. I detta fall vet jag att om temperaturgivaren är sönder stängs inte fläkten av när man stänger av motorn, även när motorn är kall.
Volvo car UX

hmmm :bored: Nu blev jag förvånad, […]

Carplay Trådlös adapter

@HeavyMetal , Tackar ska kolla in detta

Hej, jag har en Volvo 70 gen 1 och har nu under en[…]

Säger inte emot :-D Tveksam till att fö[…]