NYA Volvo C30, S40, V50 & C70 relaterade ämnen... OBS! vid motorproblem försök att ange vad du har för motor i bilen...

Moderator: Moderatorer

av Köntac30
#1628275
Har en c30 med abs fel, felkod 0100 och fel höger bak. Nu är det en a traktor så när abs lampan inte släcks efter en viss tid ( 5sekunder) så stängs bilen av så den är nu oandvändbar. Har bytt sida på givarna men den säger fortfarande fel höger bak. Testade utan givare å den säger höger bak då med. Är det någon som har erfarenhet av samma problem. Volvo mekarna i stan sa att den mätte om abs vid 20 km/h själv, men den här bilen går ej att köra. Kan man bogsera den med tändningen på för att få den att mäta om signalen med en ny givare?
Användarvisningsbild
av lennarte
#1628286
Om du nollar felkoden, kan du köra den då ?? Ofta räcker det att ta loss minuskabeln på batteriet en stund.


Felkod 0100 på Volvo kan syfta på två olika huvudproblem beroende på system: P0100 (Luftmassemätare/MAF-sensor) eller BCM/ABS-0100 (Kommunikationsfel). P0100 innebär problem med luftflödessensorn (smutsig/trasig sensor, kabelbrott), medan ABS-0100 oftast indikerar kommunikationsbortfall med motorstyrdonet (ECM), ofta p.g.a. spänningsfall eller trasig ABS-modul.

Vanliga orsaker och åtgärder:
P0100 (Motor/Luft):
Orsak: Defekt eller smutsig luftmassemätare (MAF), luftläckage i insugssystemet, skadade kablar.
Symtom: Ojämn tomgång, dålig acceleration, motorlampa lyser.
Åtgärd: Rengör MAF-sensorn med kontaktspray, kontrollera ledningar och insugsslangar.

ABS-0100 / BCM-0100 (Broms/Kommunikation):
Orsak: Kommunikationsproblem mellan ABS-styrenheten och motorstyrenheten (ECM).
Symtom: "ABS/DSTC Service erfordras" i displayen.
Åtgärd: Kontrollera batterispänning (låg spänning är en vanlig orsak) och kontrollera CAN-buss-anslutningar.
YouTube
YouTube
+6
Det rekommenderas att använda en OBD2-läsare för att se om det är en P-kod (motor) eller BCM/ABS-kod för att rikta in felsökningen rätt.
#1628299
Min tro är att det är höghastighets CAN som är orsaken till ditt problem och är gemensamt med din andra tråd där motorn stannar efter 5 sekunder.
Fungerar inte CAN-bussen kan du inte kommunicera med BCM eller ECM och läsa felkoder eller radera dessa.
-
Volvo DTC BCM-0100
Make: Volvo
Code: BCM-0100
Definition:

Communication Between Control Modules. Communication Problems with the (ECM)
Description:
Note! The diagnostic trouble code (DTC) applies only to cars with stability and traction control (STC) / dynamic stability and traction control (DSTC).
The diagnostic trouble code (DTC) is stored if the brake control module (BCM) registers that the engine speed or torque signal from the engine control module (ECM) is absent for more than 500 ms.
The diagnostic trouble code (DTC) can be diagnosed when the ignition is switched on.
Cause:
Open-circuit or short-circuit in the cable for the control area network (CAN).
Fault in the engine management system.
-
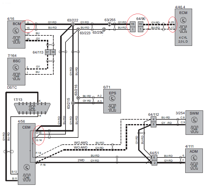
Kolla upp kontakt 64/90 stift 1 och 15 som jag nämnde i din andra tråd för oxid eller brända kontakter. Se bild nedan.
Kontaktstycke 64-90.png
Kontaktstycke 64-90.png (57.42 KiB) Visad 257 gånger
-

Bifogar också en kraftigt modifierad bild på CAN-bus mellan ECM, CEM och BCM-modulen.
(Jag antar att du inte har automatlåda eller AWD)
Inringat i rött är kontakterna på respektive modul och kontaktstycke 64/90
Tjock linje = CAN hög datasignal (CAN H)
Smal linje = CAN låg datasignal (CAN L)


Figur 17/13 är ODB-uttaget
Höghastihhets CAN-Bus förenklad.png
Höghastihhets CAN-Bus förenklad.png (69.62 KiB) Visad 257 gånger
Vinande ljud

Vad är diodbrygga?

Sänkning av V90

Ingen skillnad i komfort. Väldigt skön f[…]

Ja, såklart är rengöring en enkel […]

Bussning främre bärarm - bak

Sitter här och letar efter ett inlägg o[…]