Volvo V40 relaterade ämnen. OBS! vid motorproblem försök att ange vad du har för motor i bilen...

Moderator: Moderatorer

av Joalun
#1621849
Hej.
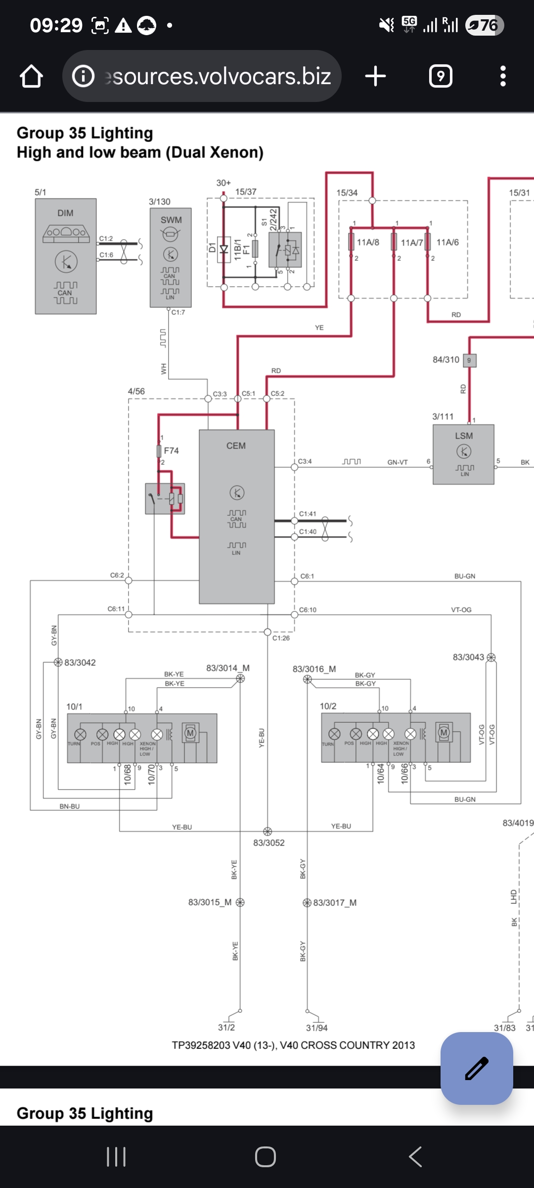
Jag har en v40 2013 D2 med xenon ljus, både helt och halv.
Köpte en ledramp för nummerplåten. Stella 200w.
Vet någon vilken styrsignal jag kan plocka till mitt relä. Skulle vilja ha den på helljuset.
Eller måste jag köpa en canbus dongel med relä.
Dåligt batteri?

Idag startade inte min frus s80 -03 . Dåli[…]

Lastat lite ved i den, några dagars fö[…]

Volvo V70 I motorlampa

Har du raderat felkoden? Annars kan det ta evighet[…]

Byta stereo v50

Hej. Jag har en v50 flexifuel från 2006. […]