- mån 05 jul 2021, 23:59
#1452902
Hej,
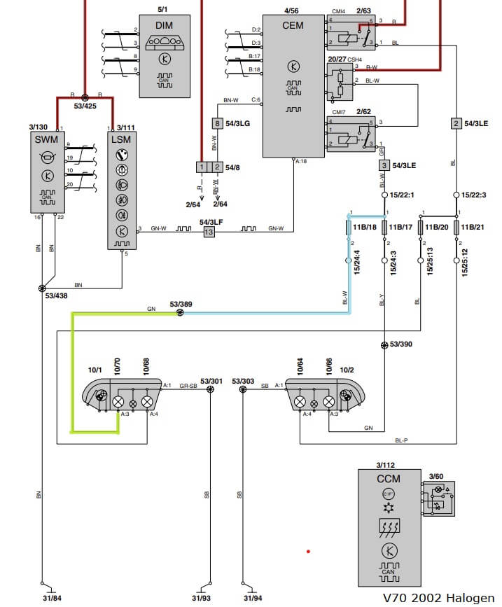
Halvljuset på min v70N 2002 2.4T med halogen fungerar inte, det gäller enbart förarsidan. I sladden som går till lyktan som ger ström till position och halvljus kan jag enbart mäta upp att det finns ström i blå/grön kabel om jag mäter mot chassi som jord.
Är det mest troligen ett kabelbrott trots att jag inte har rört kablarna eller kan det vara något relä eller liknande som har gått? Jag har gått genom säkringarna som är till lyktor i motorutrymmet och i sidan av instrumentpanelen.
Resterande lampor fungerar normalt.
Halvljuset på min v70N 2002 2.4T med halogen fungerar inte, det gäller enbart förarsidan. I sladden som går till lyktan som ger ström till position och halvljus kan jag enbart mäta upp att det finns ström i blå/grön kabel om jag mäter mot chassi som jord.
Är det mest troligen ett kabelbrott trots att jag inte har rört kablarna eller kan det vara något relä eller liknande som har gått? Jag har gått genom säkringarna som är till lyktor i motorutrymmet och i sidan av instrumentpanelen.
Resterande lampor fungerar normalt.

- By UnleashFusion