- sön 12 maj 2024, 18:05
#1578504
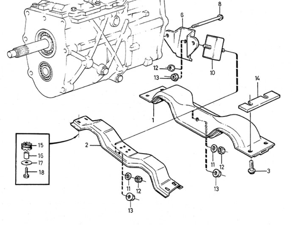
Fick en 2a på min gamla rostiga växellådsbalk så jag köpte en ny och tänkte att det bara var att skruva i den o köra, men till min förvåning så är den nya annorlunda till den gamla.
Kollade upp sprängskisserna till den på vp och då syns både den nya och den gamla balken, så jag antar att båda passar, men till den nya ser det ut som att det ska vara några sorts distanser, ska det vara en distans på förarsidan som på bilden eller ska det vara en på varje sida?
Den nya balken har nummer 1 i skissen och distanserna är nummer 14
Jag är också lite fundersam på gummikuddarna (Nummer 10 i skissen), det finns två olika på vp, en ska passa till alla M47 lådor står det men den andra ska passa till alla M47 utan AC, tycker det känns lite dåligt beskrivet, är det ens någon skillnad på dem?
Kollade upp sprängskisserna till den på vp och då syns både den nya och den gamla balken, så jag antar att båda passar, men till den nya ser det ut som att det ska vara några sorts distanser, ska det vara en distans på förarsidan som på bilden eller ska det vara en på varje sida?
Den nya balken har nummer 1 i skissen och distanserna är nummer 14
Jag är också lite fundersam på gummikuddarna (Nummer 10 i skissen), det finns två olika på vp, en ska passa till alla M47 lådor står det men den andra ska passa till alla M47 utan AC, tycker det känns lite dåligt beskrivet, är det ens någon skillnad på dem?
No mercy for fakecels 
- By dieselkenneth