Volvo 240 & 260, 340 & 360 samt 440, 460 & 480 relaterade ämnen OBS! vid motorproblem försök att ange vad du har för motor i bilen...

Moderator: Moderatorer

#1505449
Min Volvo 240 stannade på vägen idag, kraften försvann helt plötsligt och den reagerade inte på gaspådrag. Det small också några gånger i avgasröret. Lyckligtvis kunde jag rulla in på en ficka längs vägen, och blev sen bogserad hem.
Enligt tändinställningslampan finns det gnista, på alla fyra tändstift, och tändläget är rätt. Men kan gnistan vara för svag så att den inte räcker, trots att lampan visar gnista?
Bilen är från 1985, motorn är en B200K, förgasaren är en pierburg, vilket inte är original.
Den reagerar inte alls på startgas. Bränslepumpen fungerar, och jag har kört ner en kanyl i bränslemunstycket och sugit upp bränsle och konstaterad att det finns gott om bränsle, så det borde inte vara ventilen i flottörhuset som kärvar..
Om jag trampar ner gasen i bott, ocn håller den nere, och kör med startmotorn länge så går den ibland igång så mycket att den går på ett par hundra varv, på fullgas. Släpper jag gasen stannar den direkt.
Det finns en grunka fram i hörnet bakom strålkastaren som kallas tändförstärkare, eller tändmodul? Den har jag bytt en gång förut, men det är nog ca 20 år sen. Kan det vara den det är fel på igen? Hur konstaterar jag det isåfall?

Kan en ventil kärva så att det inte blir kompression? Men även om en kärvar borde väl motorn gå på de andra? Känns osannolikt att alla ventiler skulle kärva samtidigt.
Kamremmen är hel, kamaxeln roterar. Men kan kamremmen ha kuggat över ett hack? Jag lättade på kåpan för kamremmen. Kåpan är tvådelad. Ska det gå att få loss den övre delen utan att montera bort remskivor och fläkt och grejer?
Jag lyckades iallafall efter att ha tagit bort skruvarna på kåpan bända isär så mycket att jag såg remmen. Den såg bra ut , vad jag kan se, men den va lite slak tycker jag på ena sidan. Är det normalt?

Vad kan vara fel?
Användarvisningsbild
av lennarte
#1505508
Remmen ska vara ordentligt sträckt. Den töjs lite med tiden och ska efterspännas några gånger under sin livstid annars kan den "kugga över" eller att kuggarna försvinner på undersidan av vevaxel hjulet.
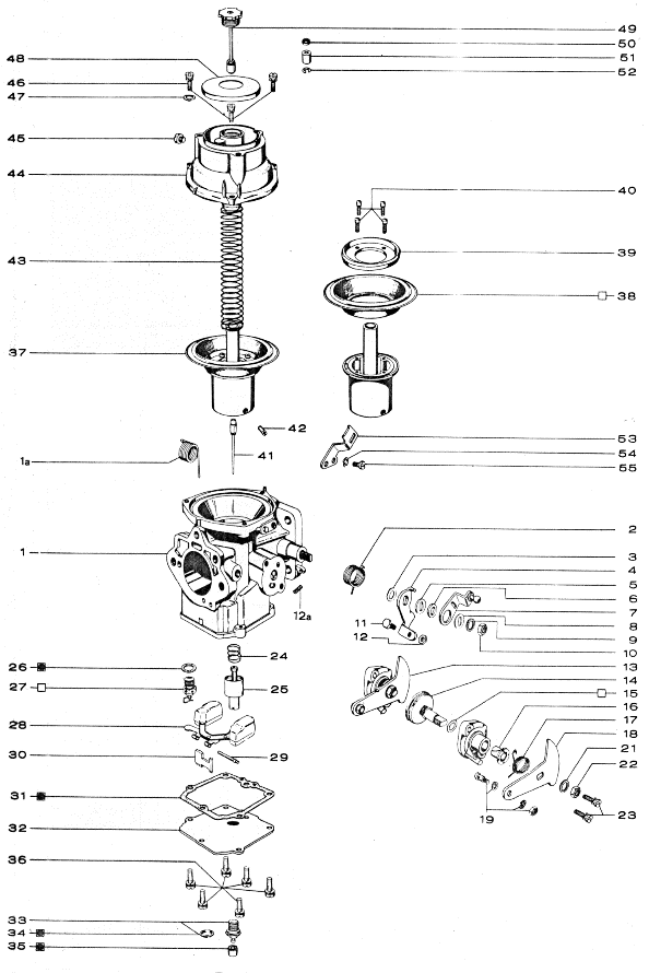
Dan vara membranet i förgasaren. Nr 38 på bilden nedan. Obs, där är "klackar" på gummit för att det ska monteras rätt
175cdsspares.gif
175cdsspares.gif (40.52 KiB) Visad 2257 gånger
#1505511
Det visade sig vara kamremmen som hade kuggat över 3 kuggar, men bara på drevet till fördelare, så tändningen kom rejält försent. Det förklarar väl varför det small i avgasröret några gånger.
Men hur ska man göra med spänning och efterspänning? Hur hårt spänd remmen känns beror ju på vilket läge kamaxeln sitter i märkte jag. Först var den väldigt slag på långa sidan, jag kunde lätt trycka in remmen en cm på mitten genom att bara peta på den. Men då var den istället hårdare spänd på andra sidan där spännrullen sitter. Sen i ett annat läge blir det tvärtom, eftersom kamaxeln liksom går lite stötvis pågrund av fjädrarna på ventilerna. Eller kommer spänningen att vrida på kamaxeln?
Användarvisningsbild
av lennarte
#1505513
När kam och fördelare står rätt mot vevaxeln lossar du muttern i spännhjulet, vrider motorn med hylsa och drag på vevaxelmuttern sakta frammåt. Så drar du åt muttern i spännhjulet, samtidigt som du håller vevaxeln i "spänn" så brukar det bli bra. Om du sedan kollar på remmen så håller du på remmen med tummen och pekfinert mitt emellan kamhjulet och hjulet till fördelaren. Så försöker du vrida kamremmen. Du ska kunna vrida den c:a 90° men inte 180°.
Användarvisningsbild
av lennarte
#1505531
Du har alltså inte bytt kamrem, vilket man bör göra när man när gör något med den. Då har du kåporna borta. Man sätter aldrig tillbaka en gammal rem, den är ju såpass uttöjd så den hoppat 3 kuggar så spänner du den för hårt kan den gå av i morgon. En ny rem har dessutom gula markeringar som stämmer mot dom 3 märkena på kugghjulen som gör det busenkelt att montera. Max 5 år eller 8000 mil är Intervallen. K motorn blir skrot om remmen går av, kanske skadad redan vid 3 kuggar om det varit kammen som flyttat sig
#1505542
Nej, jag har inte fått remmen än, Bilen står isärmonterad nu. Ska få den nya imorgon.
Men det jag inte förstog var vad du menar med att kam och fördelare står rätt mot vevaxeln? Spelar det någon roll vilket läge axlarna är i när jag spänner?
Och angående pluggen så menar jag alltså eftersträckning. Hur vet jag att eftersträckningen blir rätt?

Men hur som helst, Vad kan det beror på att remmen har kuggat över? Bara att den varit för slak? Eller nåt fel på oljepump eller fördelare? Jag kan vrida den mer än 90 grader nu, men inte riktigt 180, om jag inte tar i jättemycket.
Blir verkligen B200K skrot om kamaxeln stannar? Jag har hört många olika bud om det där, och de flesta säger att B200K klarar sig. Vilket är rätt?
av Amarace
#1505549
B200K blir inte skrot, det är bara B230K som det blir "ventillsallad" på.

Men märkligt att den bara skulle ha kuggat på mellanaxeln, kammen går ju mycket tyngre att dra runt.
#1505550
Ja.. fast kamaxeldrevet går ju remmen runt. Drevet till fördelare ligger det ju bara an mot på sidan så det har väl lättare för att kugga över där.
Det hände precis efter att jag hade kommit till en 100-sträcka, innan gick det i 80, så varvet var högre. En slak rem hoppar väl lättare över om den går fort?
#1505560
Amarace skrev:B200K blir inte skrot, det är bara B230K som det blir "ventillsallad" på.
Såg inte att det stod B200K, såg bara K :-(
Henrik Jansson skrev:Ja.. fast kamaxeldrevet går ju remmen runt.
Visst, men kammen går myyycket "trögare".
Det finns märken på vevaxel, kamaxel och fördelardereven som stämmer mot märken på motorn. Dock sitter sitter märket på för fördelardrevet på kanten på fördelaren som ska stämma mot "strecket" på rotorn när motorn är ÖD och för "tändning" på ettans cylinder. Om dessa står rätt stämmer det med märkena på den nya remmen.
Henrik Jansson skrev:Det hände precis efter att jag hade kommit till en 100-sträcka, innan gick det i 80, så varvet var högre. En slak rem hoppar väl lättare över om den går fort?
Njaee, hastigheten på bilen har ingen betydelse, motorvarvet möjligtvis men dom flesta "hoppande" eller rembrott sker nog när motor startas kall.

@EbbevonVolvo , Verkar vara en framtida popul&au[…]

Bilen offline

Min har tappat anslutning mitt på dagen p&ar[…]

Sota ur partikelfilter i Vida

Så är det. Filtret skall bytas efter 12[…]

@Nobby , Brukar finnas diverse skruvar i karossen[…]