Volvo 240 & 260, 340 & 360 samt 440, 460 & 480 relaterade ämnen OBS! vid motorproblem försök att ange vad du har för motor i bilen...

Moderator: Moderatorer

av JagRullar245
#1442396
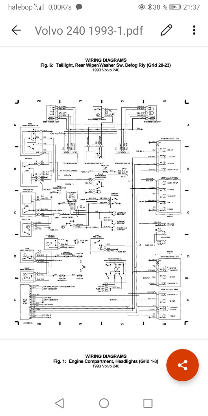
Hej, kablarna till bakluckan är av och någon har ful dragit lite lösa kablar från bakljuset för att bromslampan ska funka. Det är kabelskor överallt och inne i bilen och i lucka finns det lösa och ihopslarvade kablar. Skulle någon kunna ge en utförlig beskrivning av vad som går till vad med färger på sladdarna så jag kan få ihop det. Har inga helt nya kabelhärvor utan kommer köra med lös kabel i original slangen som sitter. Tacksam för svar så jag kan få ihop det! Värt att notera är att det är centrallås
av rd350
#1442429
Du måste använda samma typ av kael som den gamla, den är betydligt mer mångtrådig än "vanlig" fordonskabel och håller bättre att böjas i gångjärnet. Är man sparsam drar man in den gamla kabeln en bit i taket och sätter nya kabelskor på den där. Eventuellt får man förlänga kablarna nere i luckan.
av JagRullar245
#1442523
Nu är jobbet utfört, köpte så kallar rc-kabel på Kjell som någon rekommenderade i en annan tråd. Silikon beklädd och väldigt finkardelig. En sak jag blev lite fundersam över är dock att torkaren i bak inte stannar i lodrät position utan längst åt höger bakifrån sätt. Ska det vara så? En annan sak som varken funkade innan eller efter är spolarvätskn till bakrutan. Vet att det inte har med kablarna att göra men vet någon varför så uppskattas det om ni vill dela med er av potentiella fel och lösningar
Användarvisningsbild
av lennarte
#1442533
Torkarbladet ligger ner mot luckan, har aldrig sett någon som står takt upp, oavsett märke. Spolarmotorn sitter (på 145) i reservhjulsbaljan, vet ej på 245. På min 745 sitter spolarmotorn i motorrummet, i samma behållare som vindrute/strålkastarspolningen med slang ända bak.
Användarvisningsbild
av lennarte
#1442693
Det måste vara något fel på dom. På -90-talet var det poppulärt bland "pågarna" att dom skulle stå rakt upp på framrutan. Helst då också bygga om till bara en torkare, kanske en variant på detta. Har i alla fall inte sett en fungerande torkare som stannar rakt upp.
snö

Vi har samma isande vind här (Halmstad).Just […]

Ja, den Toyotan verkar poppis. Dragvikten gör[…]

Bilen offline

Min blev offline förra veckan. Det enda som f[…]

Hej Jag har en XC70 3,2 2008 där vänster[…]