Volvo 240 & 260, 340 & 360 samt 440, 460 & 480 relaterade ämnen OBS! vid motorproblem försök att ange vad du har för motor i bilen...

Moderator: Moderatorer

#1436923
Hej Jag rullar! Första inlägget för min del :)

Har en 244 -85, med 25000mil samt m47 där ingående axel glappade 2-3 mm radiellt om man drog sidledes där svänghjulslagret sitter. Anses detta vara normalt?

Plockade ner lite i lådan, hör att ingående axel lagret inte låter helt toppen. Men till den stora frågan: Vilka lager bör man byta när ändå de lådan är i delar? Är de något annat lager som brukar ge sig i dessa m47 lådor?

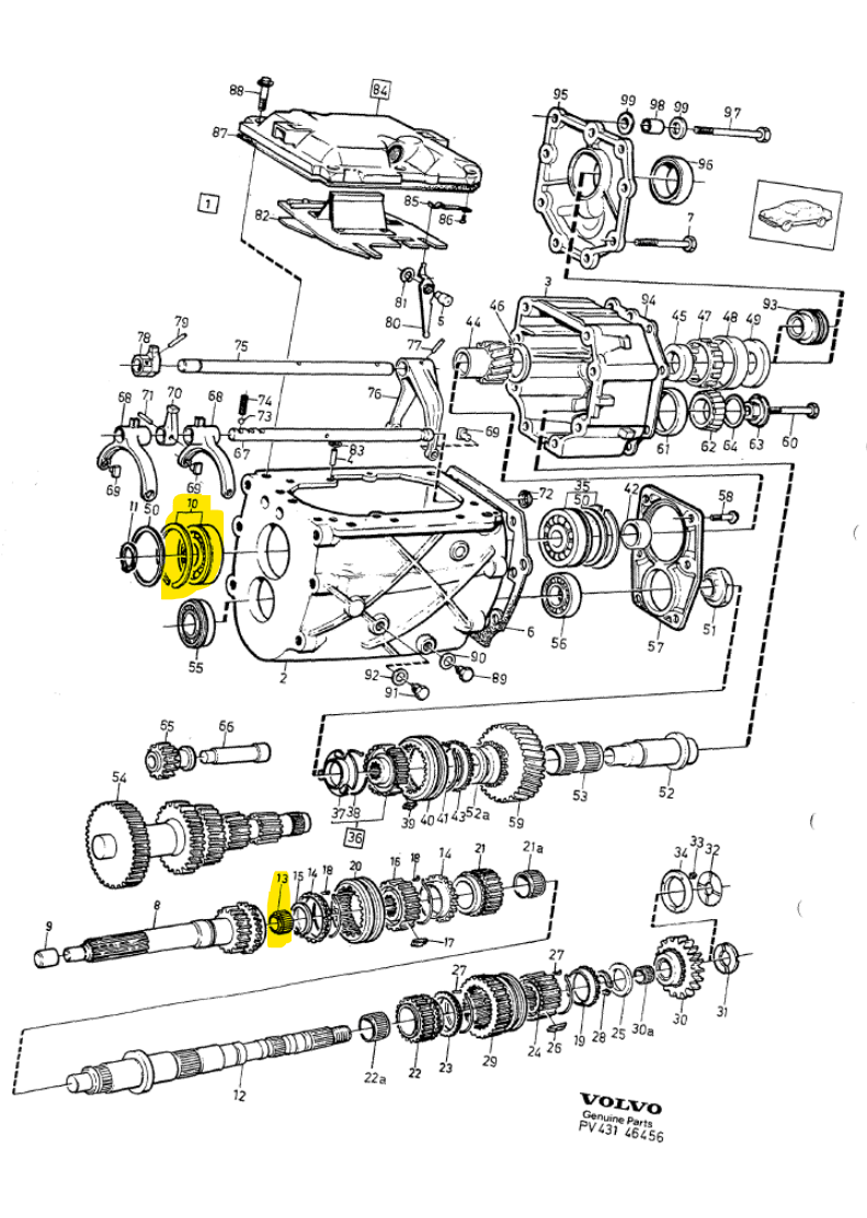
Från bifogad bild:
Har klurat ut att nr 10 på bilden är ett SKF 6306 NR - går att få tag på här och var.
Nr 13 är den jag inte hittar, Volvo nr är 183829 från gcp.se. Storleken är ish 21x31x16 - hittar inte.


Lite backstory:
Köpte mig en Volvo 244 -85a med B23A & M47. Trodde att uttrampningslager var tråkigt då bilen "kvittrade" när kopplingspedal ej nedtryckt. Plockade ner lådan och såg att kopplingen var ny ink uttrampningslager (skall byta ändå). Fick mig att fundera om något lager var tråkigt. Stora lagret på ingående axel knastrade de lite om.
Bilagor
m47 låda.png
m47 låda.png (183.57 KiB) Visad 2204 gånger
#1436946
Har inte skruvat isär någon M47 men en del andra växellådor (är några år sedan). Dock har jag under många år jobbat på ett verkstadsförråd där jag "sysslade" mycket med med lager av olika storlekar, sorter och fabrikat. Det du söker är en "nålrullkrans" som kan vara "märkesspecifik". D.v.s endast Volvo kanske har den, kolla på www.skf.com så kanske du hittar något.
#1436993
Brukar vara nr 10 på bilden som det blir oljud i. Sämst lager i de första årsmodellerna av m47. Har bytt ett flertal på den tiden det "ansågs vara lönt" att riva en sådan låda. Nu gör man det om man tycker det är kul! Lagret hittar duhos Volvo. Brukar sällan vara fler lager som blir dåliga än just på ingående axel. Missa inte shimset i kopplingskåpan!
#1437762
Hej igen,
Tack föra era svar. Efter mycket googlade och ett par samtal så hittade jag inte något nålrullkrans i lämplig dimension.

Så beslöt mig för att köpa ett SKF lager till ingående axel samt packningar till lådan. Hoppas de är bara de lagret som är tråkigt. Blir att skruva ihop lådan i helgen.
Carplay Trådlös adapter

Hej! Vi var och hämtade våran V60 idag[…]

Volvo car UX

Enligt supporten ska det inte vara någon far[…]

Är det väldigt lika tillvägagå[…]

Inte än, men bokat oljebyte på väx[…]