Volvo 240 & 260, 340 & 360 samt 440, 460 & 480 relaterade ämnen OBS! vid motorproblem försök att ange vad du har för motor i bilen...

Moderator: Moderatorer

av Åsarna
#1382223
Har ett ganska stort glapp på hö sida av förarstolens ryggstöd (4-Dr 240 -90) Vad kan man göra åt det. Lite jobbigt med snett ryggstöd.
av Amarace
#1382231
Antagligen ramen som spruckit, bara o ta isär och svetsa.
Användarvisningsbild
av maccus
#1393679
Åsarna skrev:Har ett ganska stort glapp på hö sida av förarstolens ryggstöd (4-Dr 240 -90) Vad kan man göra åt det. Lite jobbigt med snett ryggstöd.
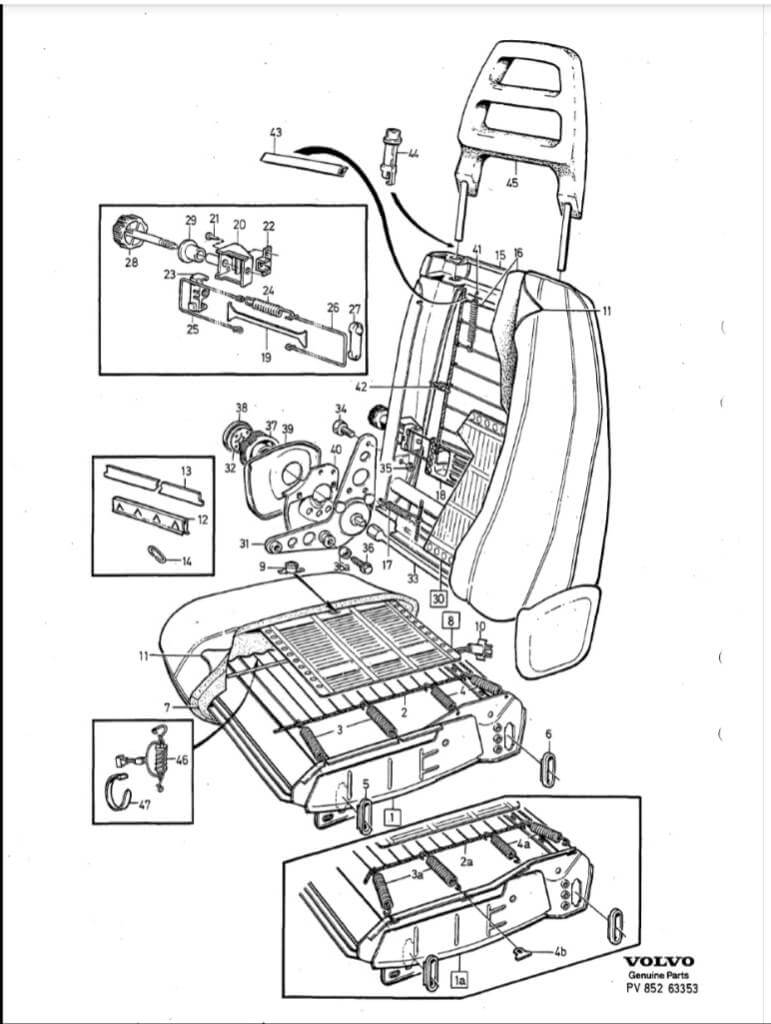
Här får du en Sprängskiss på framstolen...... hoppas att du blir behjälplig av bilden Bild
1596125978058.jpg
1596125978058.jpg (72.05 KiB) Visad 4234 gånger
Mvh Peter

Användarvisningsbild
av maccus
#1393876
Åsarna skrev:Tack, kan nog vara till bra hjälp. Skall börja titta på det till hösten.
Fråga vad en sadel makare ska ha

Mvh Peter

Användarvisningsbild
av Snusebuse
#1394398
Börja med att kolla om det är bultarna till höjdjusteringen som blivit lösa innan du plockar isär stolen. Mycket vanligt som ovanstående svar att ramen spricker men ibland är det bara en bult. Dessa kommer du åt från baksätet, kolla så de är inställda lika på båda sidor.
av Åsarna
#1397956
Skulle ta ut förarstolen men upptäckte att den tar i mittkonsolen om man skjuter framåt. Bakåt går inte heller. Hur gör man?
av Åsarna
#1399731
Då har jag tagit ut stolen och hittade 2 bultar som håller den vinklade plåten till ryggstödet (nr 31 på bilden ovan). Dessa hade gängat upp sig. Enkelt åtgärdat, när man väl hade hittat felet. Nu sitter man som man skall i en Volvo med världens bästa stolar!
av Ulf965
#1399770
Bra att du skrev hur du löste det!
Nu har jag fixat min skrivbordsstol som hade samma problem.
Sedan blir det koll på min 240 om det är samma problem där.

https://www.jagrullar.se/forum/viewtopic.php?f=16&[…]

Carplay Trådlös adapter

Jag hade ett carlinkit 5.0 2air till min V90 2020 […]

Volvo xc70 2011

Först, du borde inte ha en diesel bil. Men nu[…]

Volvo car UX

hmmm :bored: Nu blev jag förvånad, […]