Volvo S80N (07-16), V70 II (08-16), XC70 II (08-16) relaterade ämnen. OBS! vid motorproblem försök att ange vad du har för motor i bilen...

Moderator: Moderatorer

av Robinc97
#1621875
Hej,
Har B103801 felkod i en v70 2012. Det står "Givare stolsvärme vänster fram, Allmänna elektriska fel",
Hittade en 15A säkring i fot utrymmet i kupén vid passagerare och den är hel. Bytte även men det fungerade ändå inte, vilket jag tänkte skulle vara enklaste början. Men i och med det står givare, vad syftas då på?
Vart bör jag börja felsöka? Låter som det kan finnas många olika faktorer i detta, vad är det vanligaste som ger sig?

Ikonen i infopanelen för stolsvärmen indikerar att värme skulle vara på, men inget händer. Passagerare fungerar som det ska dock. :-)

Mvh
Robin
#1622044
Mest troligt är det avbrott till tempgivaren i förarstolen.

Jag har bytt värmemattan i ryggstödet på min 2008 för något år sedan p.g.a. avbrott i värmeslingan..
Då passade jag på att mäta resistansen på tempgivaren som ett bra att ha värde. (Antar att den är tillämplig på din årsmodell också.)
Vid cirka 22°C så var resistansen: 5,57 K-Ohm

Om du vill kontrollmäta så är det de två gula kablarna som går från SHM till tempgivaren,
Enklast för att komma åt att mäta är att skruva lös stolen.

Men då måste du också lossa på en kontakt till säteskrockkudden.
För att undvika få en felkod för krockkudden måste du lossa på en batteri-pol först.

Apersson850 har denna rekommendation
Notera att det rekommenderas att vänta 5-10 minuter från batterifrånkoppling tills man demonterar kontaktdon till krockkuddar.
Krockkuddeenheterna har egen backup och vill somna i god ordning först.
Komponenter stolsvärme.png
Komponenter stolsvärme.png (71.13 KiB) Visad 605 gånger
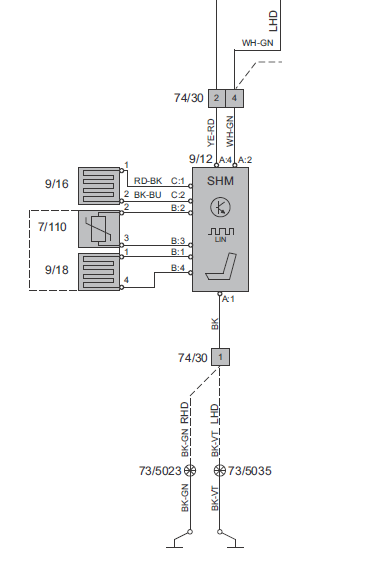
Och så här ser schemat ut.
Där detaljer på schemat är:
7/110 Temperaturgivare
9/18 värmematta säte
9/16 värmematta ryggstöd
9/12 styrenhet stolsvärme


schema stolsvärme.png
schema stolsvärme.png (18.28 KiB) Visad 605 gånger
Kolvringar etc b4b

Där blir alltid en "kant" (vän[…]

Bensinpriser v2

Uh-oh.. Iran stänger Hormozsundet. 20% av v&a[…]

serviceavtal

Jag har köpt de från askdesign. Funkar […]

Service Peugeot 107

Köpte en amerikansk (Thinkdiag) som är b[…]