- sön 01 nov 2020, 16:46
#1410378
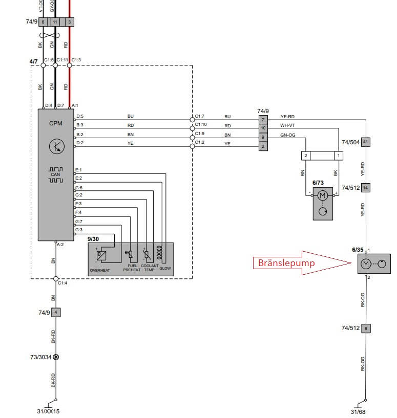
Hej jag har problem med en parkeringsvärmare som inte vill starta. Bilen är en v70 2.4D. Har felmedelande parkeringsvärmare service erfordras i displayen. När jag kollar felkoder kommer endast b1d3468. Har provar radera felkod men utan resultat. Jag har även plockat ner och gjort ren brännarinsatsen och ohmmätt glödstift och det verkar ok. Vid startförsök startar fläkten och går i ca 30 sek och meddelande parkeringsvärmare av. Inget ljud hörs från bränslepumpen. När jag provar pumpen i vida startar den inte heller frågan är om pumpen är kass eller om det kan vara typ givarfel tex överhettning?

- By wallentin