- lör 23 sep 2017, 10:59
#1199565
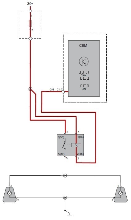
Om du ska jorda lamporna på ena sidan eller ej beror ju på om du använder reläet till att mata plus till lamporna (vilket nog är vanligast) eller om du jordar lamporna med reläet.
Anders, XC90 D5 AWD Inscription 2019.


- By IsshinAshina