NYA Volvo C30, S40, V50 & C70 relaterade ämnen... OBS! vid motorproblem försök att ange vad du har för motor i bilen...

Moderator: Moderatorer

av Tompaboy
#1525782
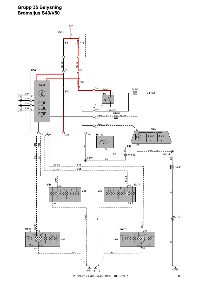
Någon som vet vart man skall börja felsöka
Bromsljuset i bakrutan lyser svagt…
En Volvo s40 -07 2.0 disel det rör sig om
av Hobbymekarn2
#1525812
Kan ju alltid börja med att kolla om lampan är kass, eller kanske kontrollera att det är rätt lampa som sitter på, kanske har du en ärgad kontakt?

Försöker själv alltid gå efter minnesramsan SLAK, Säkring, Ledning, Anslutning, Kontakt. ;-)
av Tompaboy
#1525818
Är led i bakrutan….
De lyser väldigt svagt…. precis som det vore jord fel….
Är vart kablarna går från led bromsljuset och till vad??
av Hobbymekarn2
#1525887
Tompaboy skrev: tor 05 jan 2023, 20:26 Är led i bakrutan….
De lyser väldigt svagt…. precis som det vore jord fel….
Är vart kablarna går från led bromsljuset och till vad??
Förstår inte riktigt frågan :x
av Tompaboy
#1525890
Kablarna i från bromsljuset i rutan vart går dom till…
Går dom tex till bakljuset ( bromsljuset)
Går dom till nått relä eller går dom till bromspedalen tex
av Tompaboy
#1525986
Kan man få en liten mer precision vart kablarna skulle gå i bakluckan… Lossa lite på innertaket och kände med handen… Tyckte kablarna från bromsljuset i rutan gick framåt mot vindrutan hållet…. Men kan säkert har fel oxå

Har inte allt i huvudet just nu....... Men, ta bor[…]

De ventilerna jag skrev om reglerar virvelspjä[…]

Kolvringar etc b4b

Kör du bara på sommaren så prova […]

Tjena! Har extraljus med inbyggt DRL. Jag vill k[…]