Volvo S60, S80, V70N (00-08), XC70 (00-08), XC90 (03-14) relaterade ämnen OBS! vid motorproblem försök att ange vad du har för motor i bilen...

Moderator: Moderatorer

#1258835
Rekestad skrev:Pratade med en buskmekaniker i närheten och han föreslår att ta ström från vänster halvljus till ett relä som i sin tur levererar ström till det högra.
Detta borde fungera eller vad tänker ni om detta?
Skulle det fungera?
Fungera?
Ja, som i två lysande lampor.
Men texten i färddatorn blir kvar.
Vad bilprovningen säger, vet jag inte.
Jag tycker du ska köpa begagnad CEM och sen snacka med "johnnype" om kloning.

Men allra först och främst en undersökning om det verkligen ÄR CEM.
Hittills bara gissat.

Men en tråd för nån månad sen (halvår?) hade samma problem, där CEM löddes om. (Fixades iaf)
Vips funkade det igen.
Det var också en med nya CEM modellen, tror jag.... (2005 - 2007)
#1259420
Rekestad skrev: mån 09 jul 2018, 19:57 Pratade med en buskmekaniker i närheten och han föreslår att ta ström från vänster halvljus till ett relä som i sin tur levererar ström till det högra.
Detta borde fungera eller vad tänker ni om detta?
Skulle det fungera?
Felmeddelandet lär ligga kvar eftersom CEM mäter strömförbrukningen till lampan.
#1264691
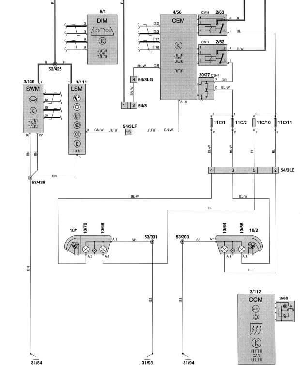
Det är en annan modell av CEM före facelift, men jag tror att reläer och shuntar är plug-in på den modellen. Alltså betydligt smidigare att åtgärda om nu inte själva kretskortet är skadat.
(Är det ingen spänning ut från CEM så kan den vara boven, annars kan det ju vara kabelbrott/glapp från CEM fram till strålkastaren någonstans.)
#1264785
Ja det funkar men du kommer nog fortfarande ha felmeddelande.

Ring runt lite bland de större verkstäderna, borde finnas ngn annan än Bilia. Annars har du säkert i Stockholm. De brukar ha en max kostnad för felsöking vilket är lägre än 4.000:-
Jag använde mig av det på Mechanum i Gbg då jag hade avgnagda kablar.
#1264831
..fortsättning följer. Spänning på två st ledare i kontakten i hö lykthus, #2 och #3, samma sak i vä lykthus. Dock lyser inte hö halvljus men hö positionsljus( inte vara jordfel då). Bör vara positions- och halvljus. Dock ingen spänning i lampkontakten till halvljuset på hö sida. Rimligen är det ärg eller trasigt i plinten i lykthuset Kan man dela lykthuset och ev reparera eller är det nytt lykthus som gäller?

Jag sökte på filter inför servicen[…]

Re: Taklucka 744 GLE

Hej, någon som har denna lilla del till takl[…]

Har den motorn i vår 13 år gamla and[…]

Märkliga fel i vanlig ordning.

Bilkunniga och bilkunniga, de är i alla fall […]