- ons 13 okt 2021, 17:55
#1469014
Hej
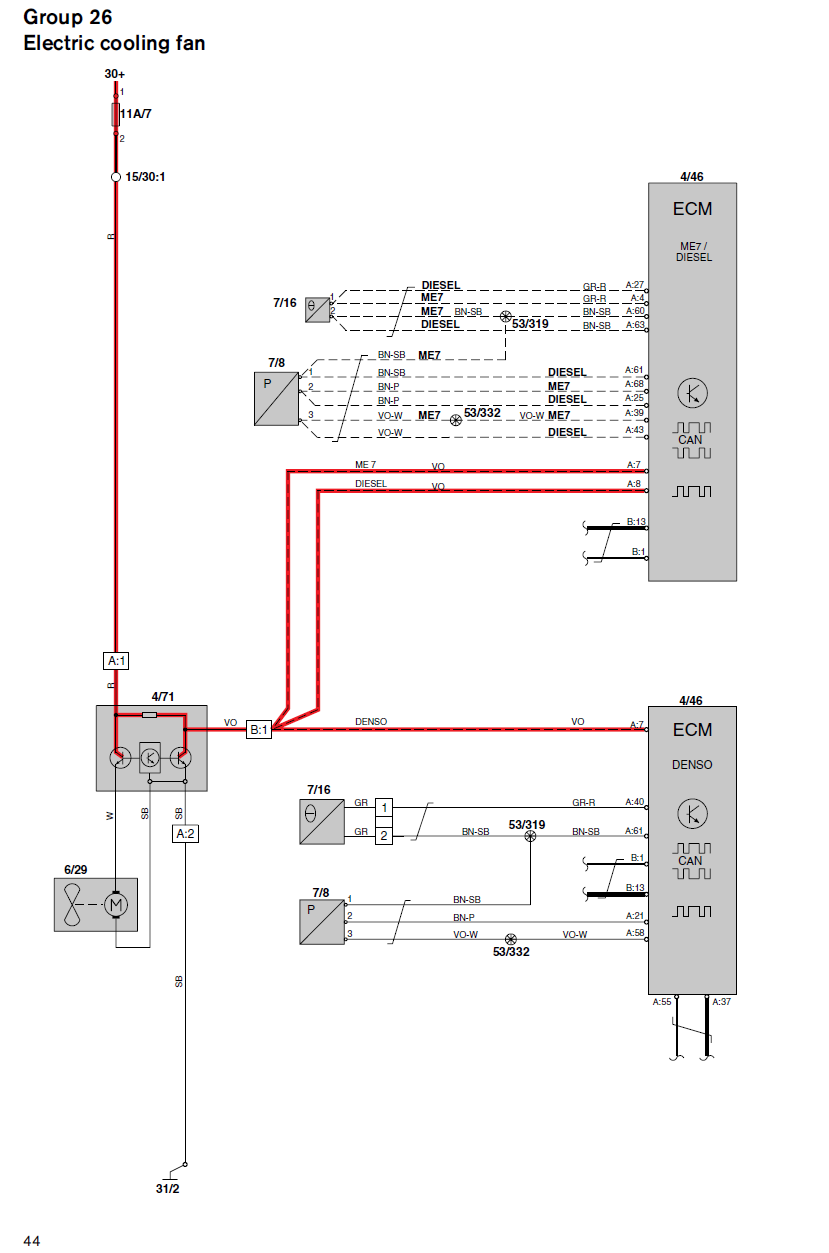
Är det någon som har ett schema med utgångar från ECM. Jag undrar vilken som är utgången som styr PWM-signalen till radiatorfläkten.
Jag skulle kunna riva ur allting och följa den lila sladden från fläkten upp i kontaktdonet men tänkte om någon har tillgång till schema skulle jag slippa en massa extra jobb
Är det någon som har ett schema med utgångar från ECM. Jag undrar vilken som är utgången som styr PWM-signalen till radiatorfläkten.
Jag skulle kunna riva ur allting och följa den lila sladden från fläkten upp i kontaktdonet men tänkte om någon har tillgång till schema skulle jag slippa en massa extra jobb
- By kvillebäck