Volvo S60, S80, V70N (00-08), XC70 (00-08), XC90 (03-14) relaterade ämnen OBS! vid motorproblem försök att ange vad du har för motor i bilen...

Moderator: Moderatorer

av royroy
#1421401
tjena!

För ett tag sen började bilen pissa ut olja, visade sig vara kamaxeltätningen som hade trycks ut. Plockade ner allt och bytte packbox och fixade vevhusventilationen. Bytte även kamrem o vattenpump. När jag fått ihop allt så går bilen riktigt dåligt. Började misstända ordentligt på lite högra varv. bytte då tändspolar för jag tänkte att dem gamla hade pajjat pga all olja som hade åkt ut runt och på dem.
Efter tändspolebytet gick bilen bra i ca 10mil. Sen började den krångla igen. Inga misständningar denna gången men tomgången svajar mycket och ibland dör den när man släpper gasen. Får felkod ecm-1300 så idag bytte jag luftmassemätare. men tyvär förändrades inget... Det skumma är att om jag raderar felkoden så går bilen bra. ibland i 2minuter, ibland i flera mil.
min tanke var att den drar tjuvluft men jag hittar inte vart den skulle göra det.

någon som har några ideer?

Det gäller en S60 T5 2001 automat
Användarvisningsbild
av Greffel
#1421408
Jag skulle "killgissa" :) på något läckage. Tror du kan söka på mitt alias och hitta hur du bygger en läcktestare själv.
Senast redigerad av 1 Greffel, redigerad totalt 0 gånger.
Användarvisningsbild
av jiha1968
#1421490
Kolla dom här punkterna:


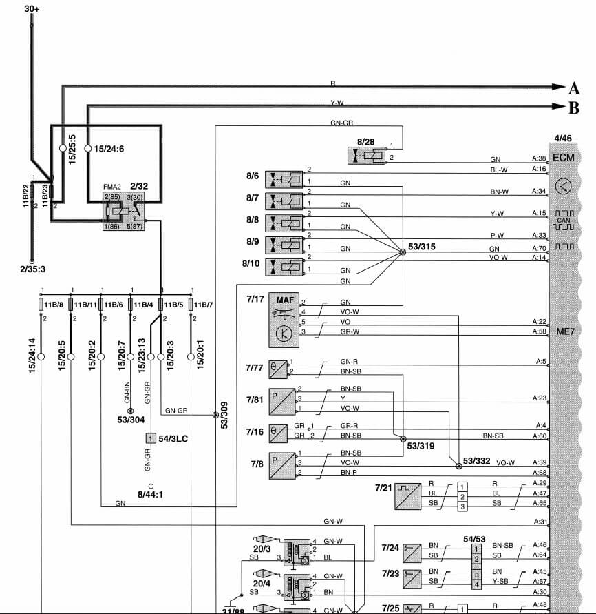
1. Check the mass air flow (MAF) sensor connector. Check for contact resistance and oxidation.

2. Check for air leakage in the intake system and for damage to hoses etc. (som Greffel säjer)

3. Check the inside of the throttle body (ETM). Check for contamination. When the throttle body (ETM) is contaminated, the air flow to the engine is impaired and diagnostic trouble code (DTCs) or fault symptoms can occur.

4. Clean the throttle body (ETM) if needed.

5. Check the power supply cable between system relay terminal #5 and mass air flow (MAF) sensor terminal #2. Check for an open-circuit.

6. Check the signal cable between engine control module (ECM) terminal #A22 (#A22) and mass air flow (MAF) sensor terminal #5. Check for a short-circuit to ground.

7. Check the power supply cable between engine control module (ECM) terminal #A39 (#A39) and mass air flow (MAF) sensor terminal #4. Check for an open-circuit.

Hint: With the ignition on and the mass air flow (MAF) sensor connector connected the voltage at mass air flow (MAF) sensor terminal #2 must be approximately U bat. (U bat = batterispänning)

MAF kopplingsdiagram vid elektriskt fel
Spoiler »
Användarvisningsbild
av jiha1968
#1421552
sicnarf skrev:Jiha1968, är du med i någon USA/Engelsk forum för Volvo bilar där du får tips och sånt? Jag är intresserad av att gå med i en sådan.
Klart, men det krävs några år som Frimurare,
innan en påföljande livslång tjänst i Tempelherr-orden,
med personlig rekommendation från stormästaren :ninja:

Nej, men om du vill söka information utomlands, vill jag inte tro det är svårare än att Googla lite, och eventuellt välj "login/join" om man tycker forumet är mycket intressant.

Men det kommer lite Engelsk från mej nu och då, sen min VIDA är Engelsk,
och att jag inte tycker det är nödvändigt att översätta till Svensk. (Ni är troligen bättre på Engelska än jag är på Svenska)
Mina bilder och teckningar är i det stora namngivna på Engelska, då jag tycker det går lättare att ge dom en kort och beskrivande titel som är lätt sökbar då.
Och självklart förekommer det att man lånar info från ändra källor än eget huvud :angelo:

Men frågor och svar som detta, hör väl egentligen hemma i et PM, så jag får be "royroy" och övriga forummedlemmar om ursäkt på förhand :oops:
av royroy
#1421651
jiha1968 skrev: sön 03 jan 2021, 10:09 Kolla dom här punkterna:


1. Check the mass air flow (MAF) sensor connector. Check for contact resistance and oxidation.

2. Check for air leakage in the intake system and for damage to hoses etc. (som Greffel säjer)

3. Check the inside of the throttle body (ETM). Check for contamination. When the throttle body (ETM) is contaminated, the air flow to the engine is impaired and diagnostic trouble code (DTCs) or fault symptoms can occur.

4. Clean the throttle body (ETM) if needed.

5. Check the power supply cable between system relay terminal #5 and mass air flow (MAF) sensor terminal #2. Check for an open-circuit.

6. Check the signal cable between engine control module (ECM) terminal #A22 (#A22) and mass air flow (MAF) sensor terminal #5. Check for a short-circuit to ground.

7. Check the power supply cable between engine control module (ECM) terminal #A39 (#A39) and mass air flow (MAF) sensor terminal #4. Check for an open-circuit.

Hint: With the ignition on and the mass air flow (MAF) sensor connector connected the voltage at mass air flow (MAF) sensor terminal #2 must be approximately U bat. (U bat = batterispänning)

MAF kopplingsdiagram vid elektriskt fel
Spoiler »
Tack för bra svar!
Men jag fårtår inte riktigt punkt 6, Check for a short-circuit to ground? Någon som är bra på dehär med el som kan förklara?
Användarvisningsbild
av jiha1968
#1421655
Punkt 6:
Pinne 5 på MAF är signalkabeln, från MAF till ECM pinne A22.
Den kabeln får inte ha kortslutning till jord
(ej heller till 12V)

Men ur symptomet finner jag** det mer trolig med luftläckage, ett ställe mellan MAF och ETM
(mest trolig mellan MAF och turbo), än nåt el-fel.
Ändå tycker jag du gör rätt i att mäta, mycket p.g.a ECM endast visar èn felkod.

Troligen varierar läckan lite, och ECM/FT (fuel trim) försöker att (felaktig) kompensera avviket i MAF-värde i förhållande till IAT/Map/ETM/rpm-värde. (det tar några minuter/km)
Till slut är troligen (den felaktiga) FT/MAF-kompensationen så stor att motorn inte mår bra, innan du nollar felkod/FT/ECM och det hela börjar på ny...

**och Greffel?
av royroy
#1434126
blir tokig snart, hittar inte felet. bytt insugspackning och packning till gasspjäll. hjälpte inte
hittar inga läckor varken med röktest eller spraya startgas..
Elektrisk baklucka igen

Sett lite trådar men inte förståt[…]

DC/AC converter

I tried to find AC-voltage value but I have not be[…]

95 eller 98 oktan

Om olika soppa på olika mackar.... Hä[…]

Batteribyte V70 2003

De nya batterierna behöver inte dränerin[…]