- ons 06 jan 2021, 19:42
#1422171
Hej alla volvokunniga.
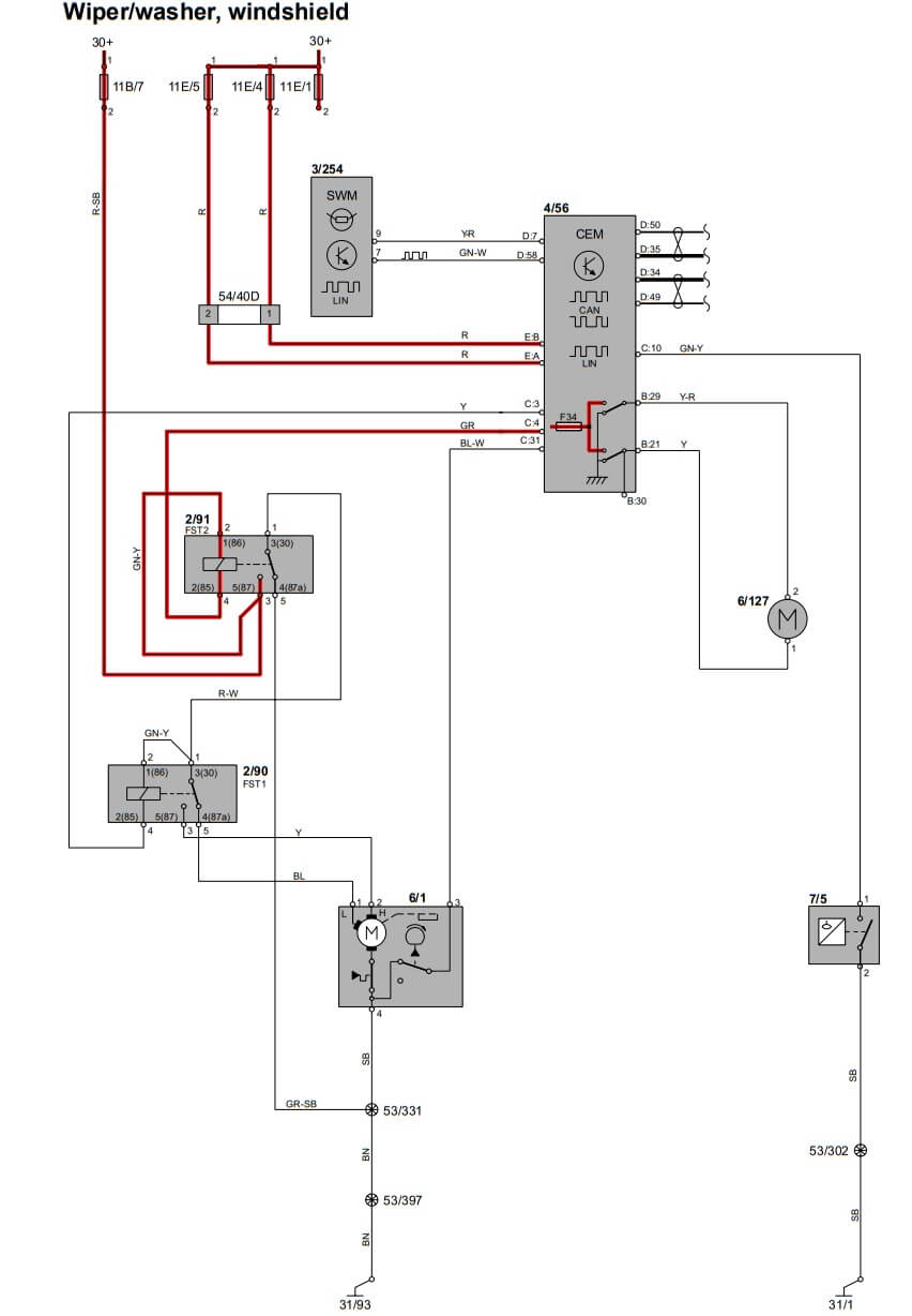
Min son har en s60 -07 och jag hjälper honom med att reda i ett märkligt vindrutetorkarproblem. De fungerar lite av och till och när den väl fungerar så funkar inte alla lägen (int/normal/snabb) utan ofta bara 1-2 lägen.
Har tagit loss torkarspaken och gjort rent kontaktblecken med suddegummi. (dock inte aceton...). Har testat att dra en extra jordkabel från chassit till chassit på torkarmotorn.... njet.
Jag har monterat bort plasten och kommer åt mekanism och motor. Mekanismen verkar inte kärva. Efter att ha grejat lite med de bägge torkarreläna hör att ett relä verkar drar när jag slår på torkarna och ibland får jag 12v men ibland får jag inte spänning till kontakten (mätt på ytterstiften). grejade en stund och vips funkade det när jag kopplade in motorn (utom på högsta hastigheten). Finns det dubbla trådar i motorn =>högre hastighet eller hur funkar det.
Nästa steg är att byta motorn men eftersom det är lite känns som torkarspak riktigt funkar logiskt mot när jag har spänning ut på stiften så känns det inte som det är problemet. Eller är det så att microbrytaren i motorn ger en feedbacksignal och att den spökar?
Ja ni hör....jag famlar. Finns någon kunnig som kan kasta lite ljus på miss famlande i torkarmörkret?
Min son har en s60 -07 och jag hjälper honom med att reda i ett märkligt vindrutetorkarproblem. De fungerar lite av och till och när den väl fungerar så funkar inte alla lägen (int/normal/snabb) utan ofta bara 1-2 lägen.
Har tagit loss torkarspaken och gjort rent kontaktblecken med suddegummi. (dock inte aceton...). Har testat att dra en extra jordkabel från chassit till chassit på torkarmotorn.... njet.
Jag har monterat bort plasten och kommer åt mekanism och motor. Mekanismen verkar inte kärva. Efter att ha grejat lite med de bägge torkarreläna hör att ett relä verkar drar när jag slår på torkarna och ibland får jag 12v men ibland får jag inte spänning till kontakten (mätt på ytterstiften). grejade en stund och vips funkade det när jag kopplade in motorn (utom på högsta hastigheten). Finns det dubbla trådar i motorn =>högre hastighet eller hur funkar det.
Nästa steg är att byta motorn men eftersom det är lite känns som torkarspak riktigt funkar logiskt mot när jag har spänning ut på stiften så känns det inte som det är problemet. Eller är det så att microbrytaren i motorn ger en feedbacksignal och att den spökar?
Ja ni hör....jag famlar. Finns någon kunnig som kan kasta lite ljus på miss famlande i torkarmörkret?
- By KalleJ