Volvo S/V40 relaterade ämnen. OBS! vid motorproblem försök att ange vad du har för motor i bilen...

Moderator: Moderatorer

#1048252
Har du provat en nollställning genom att plocka bort polen på batteriet i 20min ?

Förra vintern när det var minus så råkade jag ut för att abs-lampan lös, efter urkoppling av batt. så slocknade den.
#1049250
Jonas_latt skrev:Vad har du felsökt med?
Jag har felsökt med dator först med programmet Vida och senast med ett program som heter autocom för att få fram felkoder.
Därefter har jag med hjälp av multimeter kollat så jag har motstånd i samtliga givare och även kollat att jag har signal i alla kablar från abs enheten ut till givarna för att utesluta kabelbrott.
#1049301
Medans du mäter givaren be någon snurra på hjulet som du mäter givaren på. Du ska då få ut en växelspännig av givaren medans hjulet snurrar. Komihåg att ställa multimetern på växelspänning AC annars blir det helt tok värden ifall du ställt den på likspänning DC. Om du inte får något utslag så ställ multimetern på mv AC för det är inte mycket spännig det blir av att snurra hjulet för hand.
#1049315
DayDreamer skrev:Medans du mäter givaren be någon snurra på hjulet som du mäter givaren på. Du ska då få ut en växelspännig av givaren medans hjulet snurrar. Komihåg att ställa multimetern på växelspänning AC annars blir det helt tok värden ifall du ställt den på likspänning DC. Om du inte får något utslag så ställ multimetern på mv AC för det är inte mycket spännig det blir av att snurra hjulet för hand.
Det är precis så som du beskriver som jag har gjort, jag snurrade hjulen ca 60 varv per minut och vad jag fick fram så stämmer både motstånd och spänning. Jag har hjälp av en mekaniker men han förstår inte heller varför abs lampan lyser efter alla kontroller och felsökningar som vi har gjort.
#1049342
Misan87 skrev:
DayDreamer skrev:Medans du mäter givaren be någon snurra på hjulet som du mäter givaren på. Du ska då få ut en växelspännig av givaren medans hjulet snurrar. Komihåg att ställa multimetern på växelspänning AC annars blir det helt tok värden ifall du ställt den på likspänning DC. Om du inte får något utslag så ställ multimetern på mv AC för det är inte mycket spännig det blir av att snurra hjulet för hand.
Det är precis så som du beskriver som jag har gjort, jag snurrade hjulen ca 60 varv per minut och vad jag fick fram så stämmer både motstånd och spänning. Jag har hjälp av en mekaniker men han förstår inte heller varför abs lampan lyser efter alla kontroller och felsökningar som vi har gjort.

Du har en kontakt som är kopplad till huvudbromscylindern(oljebehållare), den brytaren går även till ABS-enheten, har du fel där kommer lampan att lysa!! :-O)
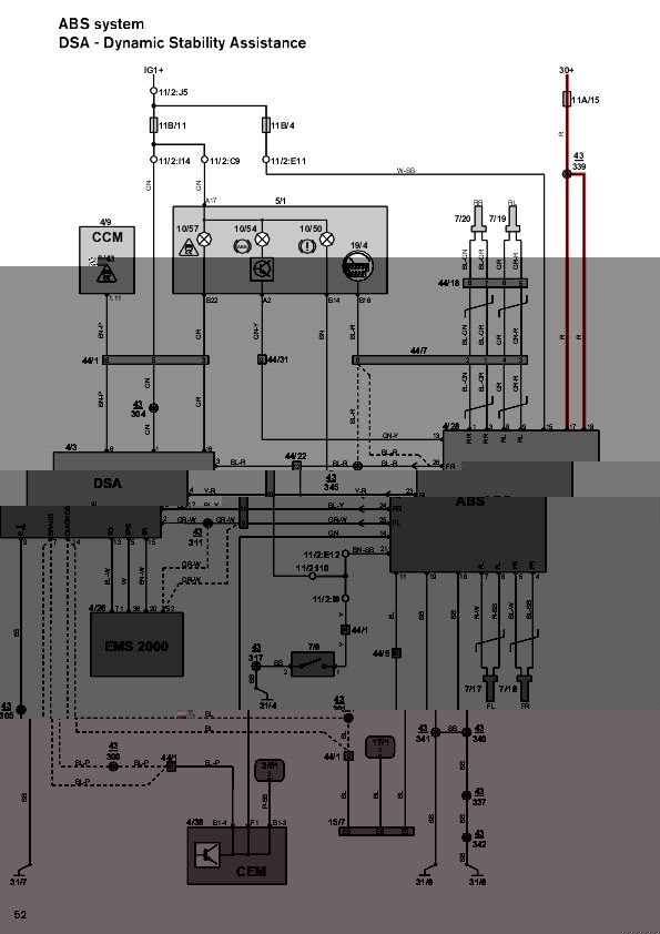
Bilagor
TP3949202 S40 V40 2001 ABS_1a.jpg
ABS V40
TP3949202 S40 V40 2001 ABS_1a.jpg (82.59 KiB) Visad 626 gånger
#1049584
Det absolut bästa att mäta ABS-givarna är med ett oscilloskop då ser du kurvorna och om något avviker. Det ser man aldrig med en digital multimeter man ser bara att den fungerar och produserar växelspänning.

Om nivågivaren i bromsvätska behållaren fungerar på samma sätt som den gör på min bil så ska lampan slockna när du rycker ur kontakten. Men det är väl denna lampa (!) som brukar lysa om man har fördåligt med bromsvätska?
#1050679
Efter ytterligare en koll så verkar felet sitta i kabeln som går till behållaren för bromsvätska, fanns en halv sandlåda vid denna kontakt så ska rengöra och använda kontaktsprej, hjälper inte det så blir det byte av denna kabel.
Jag vill tacka er alla som har hjälpt mig under resan för att hitta felet, utan alla era tips hade jag nog aldrig hittat problemet så åter igen tusen tack för all hjälp :D :D

Var och kikade på Mazda 6e idag, en bil som […]

Repor mittkonsol polering

Någon som provat denna https://www.fruugo.s[…]

Jag böt HCM som hade felkod samt bägge l[…]

Abs problem

Nu tappar jag det snart! V70 98- D5252t har haft p[…]