Volvo 700, 900, S/V90 (95-98) relaterade ämnen. OBS! vid motorproblem försök att ange vad du har för motor i bilen...t.e.x B230A, K, E, F och så vidare....

Moderator: Moderatorer

#1618449
Hej!
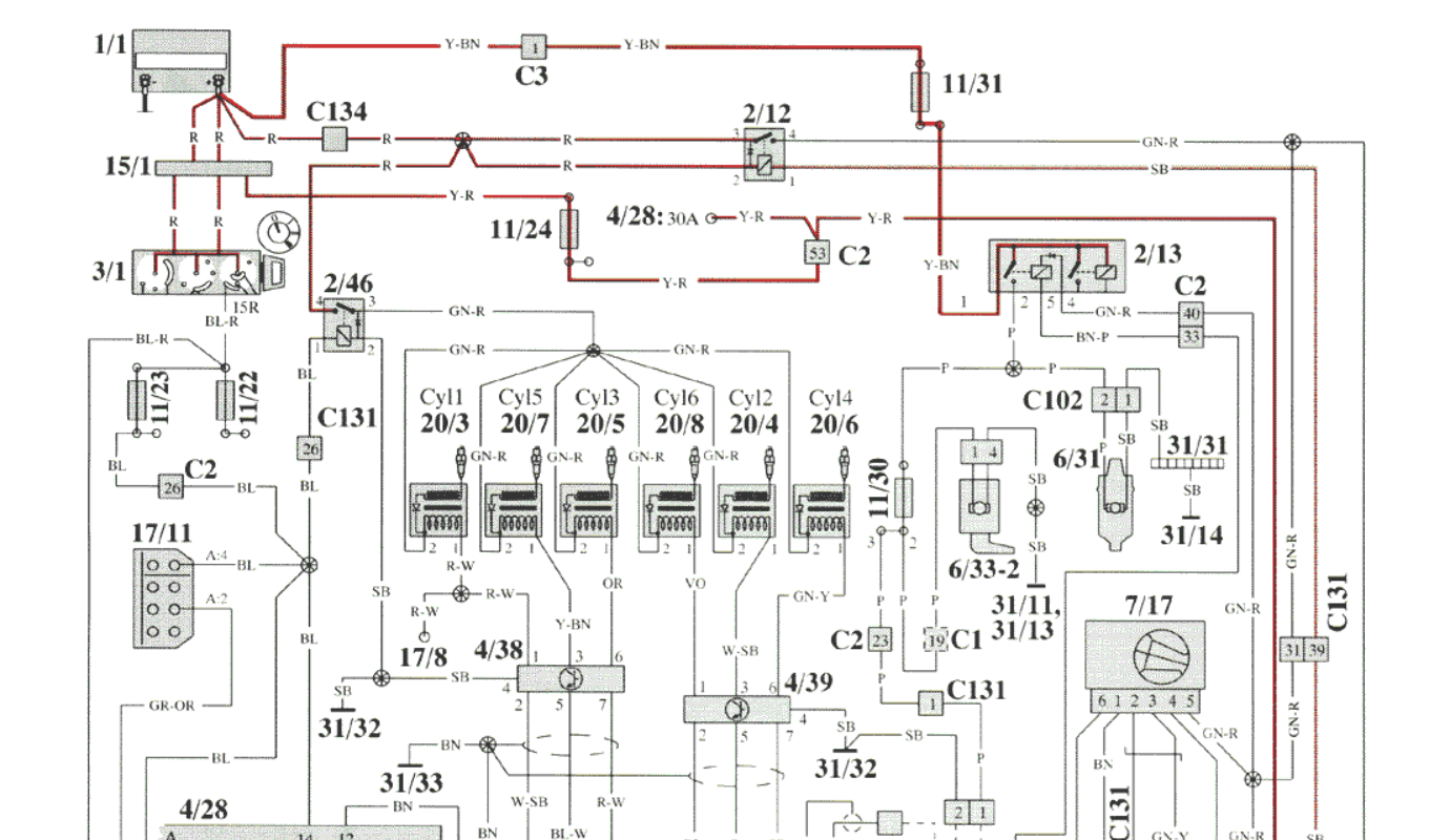
Kollar man i elschemat för insprutet i en 960 så visar det bara att bränslepumpsreläets ena spole jordas från en pin på ECUn trots att det har två spolar. På exempelvis 740 jordas ju reläets båda spolar från boxen?
Skärmbild 2025-10-03 Elschema för 960in: 201022.png
Bilagor
Skärmbild 2025-10-03 201022.png
Skärmbild 2025-10-03 201022.png (536.27 KiB) Visad 31 gånger

Visst, men även socklarna saknas så d&a[…]

Hej! Kollar man i elschemat för insprutet i e[…]

Den har via ABS

Hur viktigt är det att det är exakt samm[…]